跳转到主要内容

特性

  • 16-pin TSSOP package
  • LVHSTL inputs
  • Accepts up to 250 MHz input frequency
  • Four low skew (<250 ps) outputs
  • Selectable internal divider of 3 or 4
  • Operating voltage of 3.3 V

描述

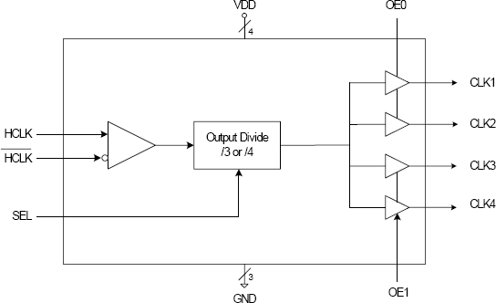
The 558-02 accepts a high-speed LVHSTL input and provides four CMOS low skew outputs from a selectable internal divider (divide by 3, divide by 4). The four outputs are split into two banks of two outputs. Each bank has a separate output enable to tri-state the output buffers. The 558-02 is a member of the ICS Clock BlocksTM family of clock generation, synchronization, and distribution devices.

当前筛选条件