跳转到主要内容

特性

  • Wide input voltage range: 3V to 40V
  • Synchronous operation for high efficiency
  • No compensation required
  • Integrated high-side and low-side NMOS devices
  • Selectable PFM or forced PWM mode at light loads
  • Internal fixed frequency (500kHz) or adjustable switching frequency (300kHz to 2MHz)
  • Continuous output current up to 800mA
  • Internal or external soft-start
  • Minimal external components required
  • Power-good and enable functions available

描述

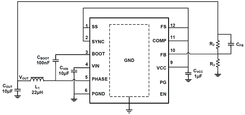
The ISL85418 is a 800mA synchronous buck regulator with an input range of 3V to 40V. It provides an easy-to-use, high efficiency low BOM count solution for a variety of applications. The ISL85418 integrates both high-side and low-side NMOS FETs and features a PFM mode for improved efficiency at light loads. This feature can be disabled if forced PWM mode is needed. The ISL85418 switches at a default frequency of 500kHz; however, it can also be programmed using an external resistor from 300kHz to 2MHz. The ISL85418 has the ability to use internal or external compensation. By integrating both NMOS devices and providing internal configuration options, minimal external components are required, which reduces the BOM count and design complexity. With a wide VIN range and reduced BOM, the ISL85418 provides an easy to implement design solution for a variety of applications while giving superior performance. The ISL85418 provides a very robust design for high-voltage industrial applications and an efficient solution for battery powered applications. The ISL85418 is available in a small Pb-free 4mmx3mm DFN plastic package with an operation temperature range of -40°C to +125°C.

产品参数

属性
Topology [Rail 1] Buck
Outputs (#) 1
Input Voltage (Min) [Rail 1] (V) 3
Input Voltage (Max) [Rail 1] (V) 40 - 40
Output Voltage (Min) [Rail 1] (V) 0.6
Output Voltage (Max) [Rail 1] (V) 34
Output Current (Max) [Rail 1] (A) 0.8
Switching Frequency Range (Typical) (kHz) 300 - 2000
Control Type Current Mode
Peak Efficiency (%) 94
IQ [Rail 1] (µA) 80
SYNCH Capability Yes
Qualification Level Standard
Temp. Range (°C) -40 to +125°C
Simulation Model Available iSim

封装选项

Pkg. Type Pkg. Dimensions (mm) Lead Count (#) Pitch (mm)
DFN 4.0 x 3.0 x 0.90 12 0.5

应用方框图

Versatile Drive Circuit for Heating & Inductive Applications Block Diagram
适用于加热和感应场景的多用途驱动电路
用于精确加热、电机控制和功率管理且具有强大保护功能的多用途驱动电路。
Industrial Ethernet Multi-Sensor Module Block Diagram
工业以太网多传感器模块
工业以太网多传感器模块,具有高集成度、专用计算能力和多种接口。

其他应用

  • Industrial control
  • Medical devices
  • Portable instrumentation
  • Distributed power supplies
  • Cloud infrastructure

当前筛选条件