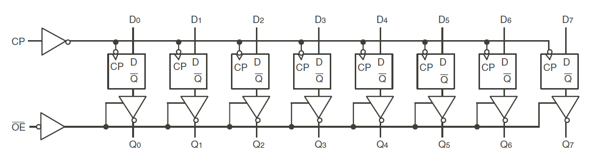
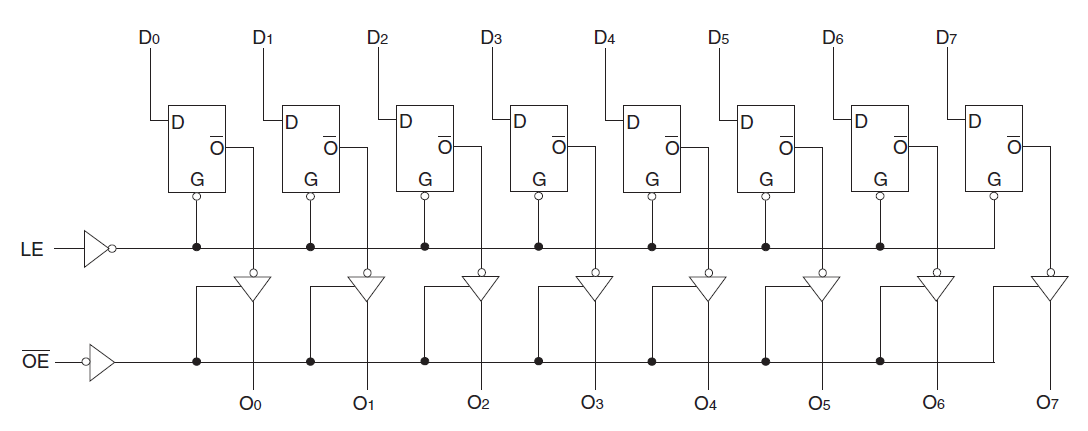
CMOS 锁存器配备 SET 和 RESET 输入端以及一个输出端,在触发时会改变状态并保持到复位状态。 透明锁存器实时跟随输入变化,使共享输入端的变化实现同步传递。 瑞萨电子的 CMOS 锁存器在临时数据存储、内存地址锁存器、I/O 端口和总线驱动器方面均有着出色表现。 与时钟触发器不同,锁存器采用电平触发方式,在启用时处于透明状态。
概览
瑞萨电子高速 CMOS 技术(FCT)解决方案专为标准 TTL 逻辑应用而设计。 这些高速 CMOS 设备具有业界领先的速度和非常低的功耗。 我们全面的 FCT 产品组合包括总线接口、缓冲器、多路复用器、收发器等。 我们提供两种输出配置以满足不同需求:符合行业标准的高驱动型号和低噪声平衡驱动型号。 我们的所有 FCT 器件均有多种速度等级可供选择,以满足不同的性能要求。
高速逻辑
快如闪电的逻辑运算,卓越的性能,确保系统在严苛的场景中始终以最佳速度运行
低能耗
在不影响性能的前提下,将能耗降至最低,从而提高效率并延长设备的使用寿命
锁存器和透明锁存器
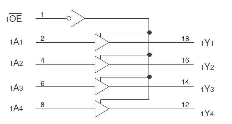
关于八进制路缓冲器
八路缓冲器是集成八个相同缓冲器的逻辑器件。 其高阻抗输入端最大限度降低了输入驱动器的电流负载,而输出端则增强了驱动强度并降低了开关噪声。 瑞萨电子的八路缓冲器采用先进的双金属高速 CMOS 技术,非常适合用作存储器和地址驱动器、时钟驱动器或总线发射器/接收器,可有效提升电路板集成密度。
