特性
- 宽输入电压范围:4.5V 至 80V
- 宽输出电压范围:0.8V 至 76V
- 四个 MOSFET 驱动器,具有自适应击穿保护功能
- 恒定输出电压和输出电流反馈环路控制
- 轻载效率提高- 低纹波二极管仿真和突发模式操作
 
- 可编程的软启动
- 支持启动至预偏置电源轨
- 可编程频率:100 kHz 至 1 MHz
- 支持具有级联相位交错的均流
- 外部时钟同步
- 通过 PLL 或频率抖动控制的精确相位角输出
- PGOOD 指示器
- 输出电流监视器
- PWM/DE/Burst 三个可选模式
- 精确的 EN/UVLO 阈值:±2%
- 低停机电流:5μA
- 全面保护:OCP(逐脉冲和可选的打嗝或恒流模式)、OVP、OTP 和 UVP
描述
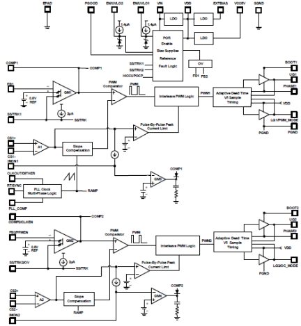
ISL81802 是一款双通道同步降压控制器,可产生两个独立输出或一个具有两个交错相位的输出,适用于工业和通用领域的各种应用。 该控制器具有较宽的输入和输出电压范围,适用于电信、数据中心和计算应用。
ISL81802 采用峰值电流模式控制,两个输出具有相位交错功能。 每个输出都有一个电压调节器、电流监视器和平均电流调节器,以提供独立的平均电压和电流控制。 内部锁相环(PLL)振荡器可确保 100 kHz 至 1 MHz 的精确频率设置,并且振荡器可与外部时钟信号同步,以实现频率同步和相位交错并联应用。 PLL 电路可输出相移可编程时钟信号,而该时钟信号可扩展到三相、四相和六相,并具有所需的交错相移。
ISL81802 具有可编程软启动和精确的阈值使能功能,以及一个电源正常指示器,可简化电源轨排序。 它还提供全面的保护功能,如 OVP、UVP、OTP 以及两个输出的平均和峰值电流限制,以确保高可靠性。
该 IC 采用节省空间的 32 Ld 5mm × 5mm TQFN 或易于组装的 4.4mm × 9.7mm 38 Ld HTSSOP 封装。 两种封装均使用 EPAD 来提高热性能和抗噪性。 全功能设计和低引脚数使 ISL81802 成为快速上市简单电源设计的理想解决方案。
产品参数
| 属性 | 值 | 
|---|---|
| Outputs (#) | 2 | 
| Topology [Rail 1] | Buck | 
| Input Voltage (Min) [Rail 1] (V) | 4.5 | 
| Input Voltage (Max) [Rail 1] (V) | 80 - 80 | 
| Output Voltage (Min) [Rail 1] (V) | 0.8 | 
| Output Voltage (Max) [Rail 1] (V) | 76 | 
| Output Current (Max) [Rail 1] (A) | 20 | 
| Switching Frequency Range (Typical) (kHz) | 100 - 1000 | 
| Qualification Level | Standard | 
| Temp. Range (°C) | -40 to +125°C | 
应用方框图
|  | 多合一电动汽车单元 可实现高效电机控制、充电和 DC/DC 转换的集成式多合一电动汽车电源系统。 | 
其他应用
- 电信
- 服务器和数据中心
- 汽车电子
- 工业设备
- 电源系统
当前筛选条件
加载中
    筛选
软件与工具
样例程序
模拟模型
新闻和博客
| 新闻 2020年10月21日 | 
 
          