跳转到主要内容

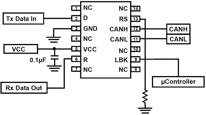
Hi-Rel CAN Transceivers

Hi-Rel CAN transceivers provide robust and reliable communication for space and high-reliability applications. Designed to withstand radiation-heavy environments, these transceivers ensure fault-tolerant, high-speed data transmission across distributed systems. With hardened bus protection, low-power operation, and compliance with CAN standards, they enable resilient networking for spacecraft, satellites, and other mission-critical systems.

Renesas offers products across many screening flows: QML-V, QML-V Equivalent, QML-P, QML-P Equivalent, and RT Plastic. Refer to the product datasheet to determine which flows are applicable.

Cold Sparing Capability

Our CAN Bus transceiver family supports cold sparing capability, ensuring reliable redundancy without system level disturbances.

Selectable Rise/Fall Times

CAN Bus transceivers offer selectable rise and fall times, allowing for optimized bus performance and improved signal integrity in diverse communication environments.

Designed for Space

Engineered from the ground up for space applications, these CAN Transceivers mitigate SEE and TID effects, ensuring mission-critical reliability without additional design overhead.

Product Selector: Hi-Rel CAN Transceivers

通过我们的参数化产品选择工具探索我们的产品目录。比较各种参数的规格,找到适合您设计的零件。

产品选择器

文档

工具和资源