特性
- Low additive jitter suitable for use in PCIe Gen2 and Gen3 systems
- 16-pin TSSOP package for small board footprint
- Outputs can be terminated to LVDS to drive a wider variety of devices
- OE control pin offers greater system power management
- Industrial temperature range supports demanding embedded applications
- Additive cycle-to-cycle jitter <5 ps
- Additive phase jitter (PCIe Gen3) <0.2ps
- Operating frequency up to 200MHz
描述
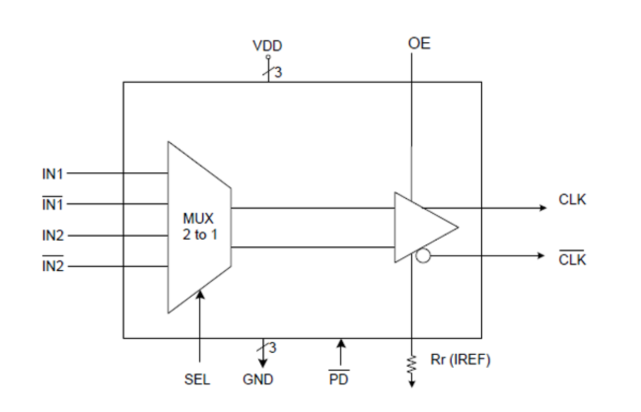
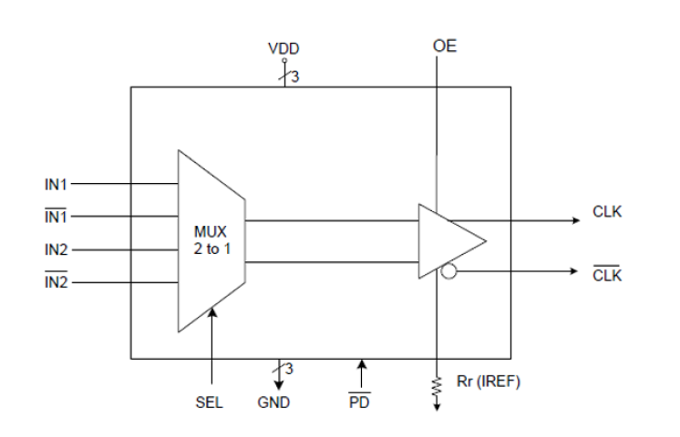
The 6V31023 is a 2:1 differential clock mux for PCI Express applications. It has very low additive jitter making it suitable for use in PCIe Gen2 and Gen3 systems. The 6V31023 selects between 1 of 2 differential HCSL inputs to drive a single differential HCSL output pair. The output can also be terminated to LVDS.
当前筛选条件
筛选
软件与工具
样例程序
模拟模型
This is the first video in our PCIe series. In this video, we define PCIe architectures, focusing on common and separate clock architectures. Watch the rest of the video series below where Ron will cover the impact of different timing architectures.
In this episode, Ron Wade from IDT (acquired by Renesas) explains PCIe common clocking and its impact on timing solutions. Learn about using a single clock source, fan-out buffers, and the considerations for spread spectrum and non-spread spectrum clocking in PCIe systems.
In this video, we explore PCIe with separate reference clocks and the effects of clock selection. Learn how separate reference clocks work and their impact on system performance and stability.
This video provides a high-level overview of Separate Reference Clock with Independent Spread (SRIS) architectures for PCI Express systems, additional performance requirements that this clocking architecture imposes on the reference clocks, and some system implications encountered trying to implement the architecture.