跳转到主要内容
瑞萨电子 (Renesas Electronics Corporation)

特性

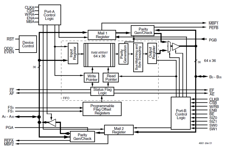
  • Dynamic Port B bus sizing of 36 bits (long word), 18 bits (word), and 9 bits (byte)
  • Selection of Big- or Little-Endian format for word and byte bus sizes
  • Three modes of byte-order swapping on Port B
  • Programmable Almost-Full and Almost-Empty flags
  • Microprocessor interface control logic
  • FF , AF flags synchronized by CLKA
  • EF , AE flags synchronized by CLKB
  • Passive parity checking on each Port
  • Parity Generation can be selected for each Port
  • Available in 132-pin PQFP and 120-pin TQFP packages
  • Industrial temperature range (–40C to +85C) is available

描述

The 72V3613 is a 64 x 36 3.3V Sync FIFO which supports clock frequencies up to 83 MHz and has read-access times as fast as 8 ns. Three modes of byte-order swapping are possible with any bus-size selection. Communication between each port can bypass the FIFO via two 36-bit mailbox registers. The continuous clocks for each port are independent of one another and can be asynchronous or coincident.

当前筛选条件