| CAD 模型: | View CAD Model |
| Pkg. Type: | SSOP |
| Pkg. Code: | PVG56 |
| Lead Count (#): | 56 |
| Pkg. Dimensions (mm): | 18.4 x 7.5 x 2.3 |
| Pitch (mm): | 0.64 |
| Pb (Lead) Free | Yes |
| Moisture Sensitivity Level (MSL) | 1 |
| ECCN (US) | |
| HTS (US) |
| Pkg. Type | SSOP |
| Lead Count (#) | 56 |
| Pb (Lead) Free | Yes |
| Carrier Type | Reel |
| App Jitter Compliance | TR62411, ETSI-ETS, Stratum 4, Stratum 4E, ITU, Telcordia |
| Core Voltage (V) | 3.3 |
| Hitless Protection | Yes |
| Input Freq (MHz) | 0.008 - 0.008, 1.544 - 1.544, 2.048 - 2.048, 19.44 - 19.44 |
| Input Type | LVCMOS, LVTTL |
| Inputs (#) | 2 |
| Length (mm) | 18.4 |
| MOQ | 1000 |
| Moisture Sensitivity Level (MSL) | 1 |
| Output Freq Range (MHz) | 0.008 - 32.768 |
| Output Signaling | LVDS, LVCMOS, LVTTL |
| Output Type | LVDS, LVCMOS, LVTTL |
| Output Voltage (V) | 3.3 |
| Outputs (#) | 16 |
| Package Area (mm²) | 138 |
| Pb Free Category | e3 Sn |
| Pitch (mm) | 0.64 |
| Pkg. Dimensions (mm) | 18.4 x 7.5 x 2.3 |
| Qty. per Carrier (#) | 0 |
| Qty. per Reel (#) | 1000 |
| Reel Size (in) | 13 |
| Requires Terms and Conditions | Does not require acceptance of Terms and Conditions |
| Tape & Reel | Yes |
| Temp. Range (°C) | 0 to 70°C |
| Thickness (mm) | 2.3 |
| Width (mm) | 7.5 |
| 已发布 | No |
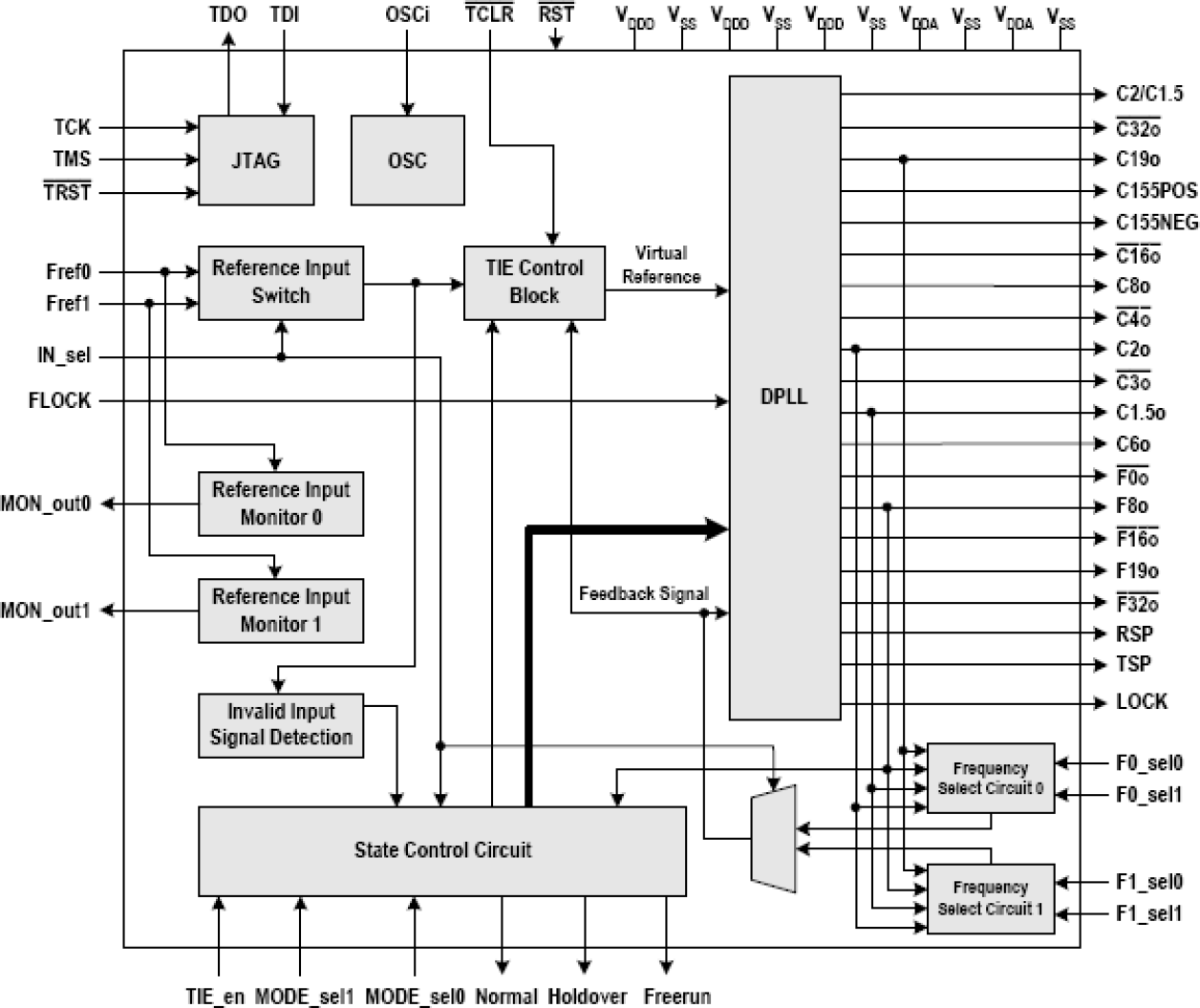
The 82V3155 is an enhanced T1/E1/OC3 WAN PLL with dual reference inputs. It contains a Digital Phase-Locked Loop (DPLL), which generates low jitter ST-BUS, 19.44 MHz and 155.52 MHz clock and framing signals that are phase locked to an 8 kHz, 1.544 MHz, 2.048 MHz or 19.44 MHz input reference. The 82V3155 provides 10 types of clock signals (C1.5o, C3o, C6o, C2o, C4o, C8o, C16o, C19o, C32o, C155) and 7 types of framing signals (F0o, F8o, F16o, F19o, F32o, RSP, TSP) for multitrunk T1/E1 and STS3/OC3 links. The 82V3155 is compliant with AT&T TR62411, Telcordia GR-1244-CORE Stratum 3, Stratum 4 Enhanced, Stratum 4, OC-3 port, 155.52 Mbit/s application and ETSI ETS 300 011, ITU-T G.813 Option 1, and ITU-T G.812 Type IV clocks. It meets the jitter/wander tolerance, jitter/wander transfer, intrinsic jitter/wander, frequency accuracy, capture range, phase change slope, holdover frequency accuracy and MTIE (Maximum Time Interval Error) requirements for these specifications. The 82V3155 can be used in synchronization and timing control for T1, E1 and OC3 systems, or used as ST-BUS clock and frame pulse source. It also can be used in access switch, access routers, ATM edge switches, wireless base station controllers, or IADs (Integrated Access Devices), PBXs, line cards and SONET/SDH equipments.