跳转到主要内容
瑞萨电子 (Renesas Electronics Corporation)

特性

  • Single-chip two-channel SyncE PLL with hitless reference switching
  • Jitter generation < 0.3ps RMS (10kHz to 20MHz) meets the most stringent 10G PHY requirements
  • Two ultra-low jitter analog PLLs support three clock modes: 622.08MHz, 625MHz, and 625MHz x 66/64
  • Generates interface clocks (1GE, 10GBASE-R, 10GBASE-W, and 40GBASE-R) and SONET/SDH (OC-192/STM-64)
  • Supports ITU-T G.8262 SyncE compliant equipment
  • Supports Telcordia GR-253-CORE and ITU-T G.813 SONET/SDH compliant equipment
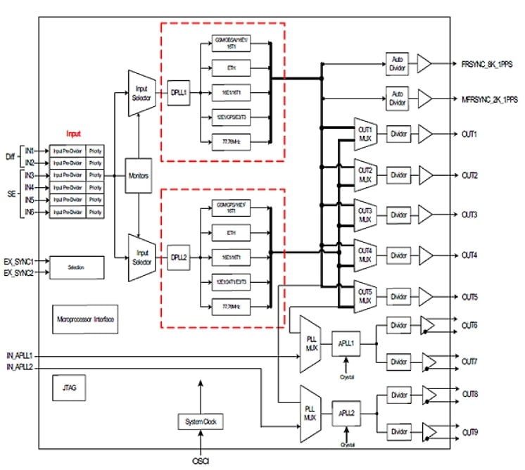
  • Integrates 2 DPLLs, one for the transmit path and one for the receive path
  • Supports input and output clocks whose frequencies range from 2kHz to 625MHz x 66/64
  • Accepts 1 pulse-per-second (1PPS) sync pulse
  • Complemented by the 82V3910 SyncE SETS for 10GbE and 40GbE

描述

The 82V3911 is a single-chip, two-channel Synchronous Ethernet (SyncE) PLL. The device supports ITU-T G.8262, G.813, and Telcordia GR-253-CORE compliance with hitless reference switching, frequency translation, and jitter attenuation. Its ultra-low jitter generation makes it suitable for timing 10GBASE-R, 10GBASE-W, OC-192/STM-64, or 40GBASE-R PHYs.

The high-integration architecture minimizes component count and board space by including two independent digital PLLs (DPLLs); one for the transmit PHY function and one to provide recovered line timing to the system’s synchronous equipment timing source (SETS). Two independent jitter attenuating analog PLLs (APLLs) are also integrated; these APLLs generate clocks with jitter below 0.3ps RMS over the 10kHz to 20MHz integration range and can be used to directly time 10GbE or 40GbE network PHYs or other high-speed interfaces.

The DPLLs lock to a wide variety of telecom and Ethernet reference frequencies and suppress reference switching transients to generate highly reliable output clocks for optimal network performance. The 82V3911 offers a network PHY timing solution optimized for use in Ethernet switches, routers, multi-service switching platforms, wireless backhaul equipment, and other communications infrastructure. The device is available in a 196-ball 15mm x 15mm CABGA package and supports the standard industrial temperature range from -40 °C to +85 °C.

应用

  • Core and access IP switches/routers
  • Gigabit and Terabit IP switches/routers
  • Central office timing source and distribution
  • DWDM cross-connect and transmission equipment
  • IP core routers and access equipment
  • Cellular and WLL base station node clocks
  • Broadband and multi-service access equipment

当前筛选条件