跳转到主要内容
瑞萨电子 (Renesas Electronics Corporation)
替代产品

特性

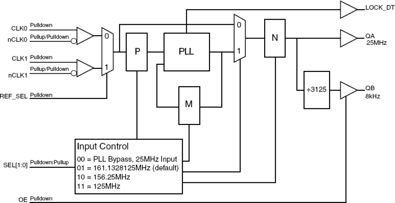
  • Two single-ended outputs (LVCMOS or LVTTL levels), output impedance: 17Ω
  • Single-ended lock detect output (LVCMOS or LVTTL levels)
  • Two selectable differential clock inputs
  • Differential input pair (CLKx, nCLKx) accepts LVPECL, LVDS, LVHSTL, SSTL, HCSL input levels
  • Internal resistor bias on nCLK pin allows the user to drive CLK input with external single-ended (LVCMOS/ LVTTL) input levels
  • Selectable input frequencies: 161.1328MHz, 156.25MHz or 125MHz
  • Output frequency: 25MHz, 8kHz
  • Full 3.3V supply voltage
  • -40°C to 85°C ambient operating temperature
  • Available in lead-free (RoHS 6) package

描述

The 840272I is a PLL-based Frequency Translator intended for use in Synchronous Ethernet applications. This high performance device is optimized to generate 25MHz and 8kHz LVCMOS clock outputs. The 840272I accepts the following differential or single-ended input signals: 161.1328125MHz (10GbE Mode), 156.25MHz (1GbE Mode), or 125MHz (Recovered clock from 10/100/1000BaseT Ethernet PHY). The extended temperature range supports telecommunication and networking end equipment requirements.

当前筛选条件