特性
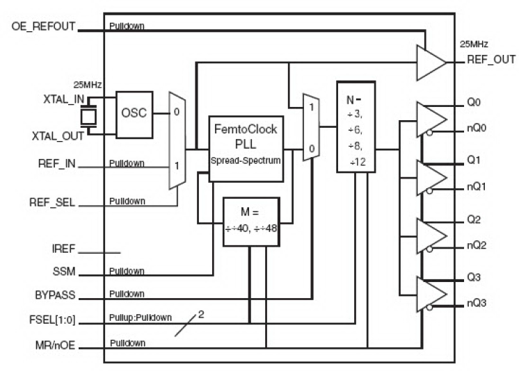
- Four 0.7V differential HCSL outputs: configurable for PCIe (100MHz or 200MHz) and sRIO (125MHz) clock signals
- One LVCMOS/LVTTL reference clock output
- Selectable crystal oscillator interface, 25MHz, 18pF parallel resonant crystal or LVCMOS/LVTTL single-ended reference clock input
- Supports the following output frequencies: 100MHz, 125MHz, 200MHz or 400MHz
- VCO frequency range: 950MHz - 1.25GHz
- Configurable spread-spectrum generation for PCIe
- PLL bypass and output enable
- RMS phase jitter @ 200MHz, using a 25MHz crystal (12kHz - 20MHz): 1.21ps (typical)
- PCI Express (2.5 Gb/S), Gen 2 (5 Gb/s) and Gen 3 (8 Gb/s) jitter compliant (REF_OUT disabled)
- Full 3.3V operating supply
- -40°C to 85°C ambient operating temperature
- Available in lead-free (RoHS 6) packages
描述
The 841484I is an optimized PCIe and sRIO clock generator. The device uses a 25MHz parallel resonant crystal to generate 100MHz, 125MHz, 200MHz and 400MHz clock signals, replacing solutions requiring multiple oscillator and fanout buffer solutions. The device has excellent phase jitter suitable to clock components requiring precise and low jitter PCIe, sRIO or both clock signals. The device also supports a configurable spread-spectrum generation for PCIe applications. Designed for telecom, networking and industrial applications, the 841484I can also drive the high-speed sRIO and PCIe SerDes clock inputs of communications processors, DSPs, switches and bridges.
当前筛选条件
筛选
软件与工具
样例程序
模拟模型
This is the first video in our PCIe series. In this video, we define PCIe architectures, focusing on common and separate clock architectures. Watch the rest of the video series below where Ron will cover the impact of different timing architectures.
In this episode, Ron Wade from IDT (acquired by Renesas) explains PCIe common clocking and its impact on timing solutions. Learn about using a single clock source, fan-out buffers, and the considerations for spread spectrum and non-spread spectrum clocking in PCIe systems.
In this video, we explore PCIe with separate reference clocks and the effects of clock selection. Learn how separate reference clocks work and their impact on system performance and stability.
This video provides a high-level overview of Separate Reference Clock with Independent Spread (SRIS) architectures for PCI Express systems, additional performance requirements that this clocking architecture imposes on the reference clocks, and some system implications encountered trying to implement the architecture.