跳转到主要内容
瑞萨电子 (Renesas Electronics Corporation)

特性

  • 2 - CPU differential low power push-pull pairs
  • 9 - SRC differential low power push-pull pairs
  • 1 - CPU/SRC selectable differential low power push-pull pair
  • 1 - SRC/DOT selectable differential low power push-pull
  • 5 - PCI, 33MHz
  • 1 - PCI_F, 33MHz free running
  • 1 - USB, 48MHz
  • 1 - REF, 14.318MHz
  • CPU outputs cycle-cycle jitter < 85ps
  • SRC output cycle-cycle jitter < 125ps
  • PCI outputs cycle-cycle jitter < 250ps
  • +/- 100ppm frequency accuracy on CPU & SRC clocks
  • Does not require external pass transistor for voltage regulator
  • Integrated 33ohm series resistors on differential outputs, Zo=50Ω
  • Supports spread spectrum modulation, default is 0.5% down spread
  • Uses external 14.318MHz crystal, external crystal load caps are required for frequency tuning
  • Selectable between one SRC differential push-pull pair and two single-ended outputs
  • Meets PCIEX Gen2 specification on dedicated SRC outputs. Muxed SRC outputs meet PCIEX Gen1 specification, except SRC1.
  • Meets PCIEX <85ps cycle-to-cycle jitter for SRC[11:1]
  • Single-ended programmable slew rate control for RFI reduction

描述

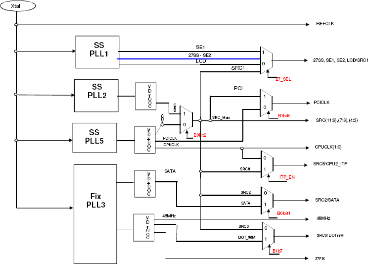
9ERS3165 follows Intel CK505 Yellow Cover specification. This clock synthesizer provides a single chip solution for Intel processors and Intel based systems. 9ERS3165 is driven with a 14.318MHz crystal. It also provides a tight ppm accuracy output for Serial ATA and PCI-Express support.

当前筛选条件