跳转到主要内容
瑞萨电子 (Renesas Electronics Corporation)

特性

  • 2 configurable serial outputs
  • 3V, 1.8V single supplies
  • Compliant with JESD204A serial transmission standard
  • Dual-channel 16-bit pipelined ADC core
  • Duty cycle stabilizer
  • Flexible input voltage range: 1V (p-p) to 2V (p-p)
  • High IF capability
  • Input bandwidth, 600MHz
  • Offset binary, 2s complement, gray code
  • Power-down and Sleep modes
  • Sample rate up to 125Msps
  • SFDR, 90dBc
  • SNR, 73dB
  • SPI interface

描述

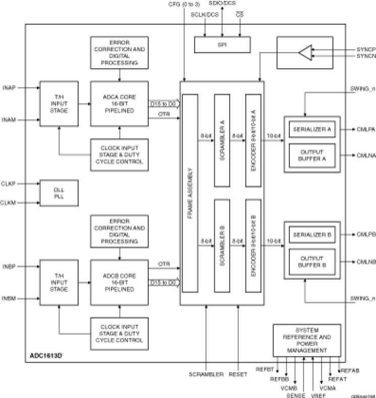
The ADC1613D125HN is a dual-channel, 16-bit analog-to-digital converter (ADC) optimized for high dynamic performances and low power at sample rates up to 125Msps. Pipelined architecture and output error correction ensure the ADC1613D is accurate enough to guarantee zero missing codes over the entire operating range. Supplied from a 3V source for analog and a 1.8V source for the output driver, it has two serial outputs, which are compliant with the JESD204A standard. An integrated serial peripheral interface (SPI) allows the user to easily configure the ADC.

当前筛选条件