跳转到主要内容
瑞萨电子 (Renesas Electronics Corporation)

特性

  • 1.8 V/3.3 V CMOS input buffers
  • 1.8 V and 3.3 V power supplies
  • 32-bit programmable NCO frequency
  • 750 Msps maximum update rate
  • Differential scalable output current from 1.6 mA to 22 mA
  • Dual 14-bit resolution
  • Dual port or Interleaved data modes
  • External analog offset control (10-bit auxiliary DACs)
  • Fully compatible SPI port
  • Industrial temperature range from -40°C to +85°C
  • Input data rate up to 185 Msps
  • Internal digital offset control
  • Inverse x / (sin x) function
  • LVDS compatible clock
  • On-chip 1.29 V reference
  • Power-down and Sleep modes
  • Selectable 2x,4x or or 8x interpolation filters
  • 2's complement or binary offset data format
  • Typical 1.2 W power dissipation at 4x interpolation with PLL off and 740 Msps
  • Very low noise cap-free integrated PLL

描述

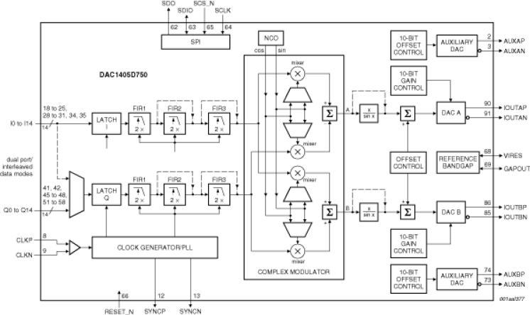
The DAC1405D750HW is a high-speed 14-bit dual channel Digital-to-Analog Converter (DAC) with selectable 4x or 8x interpolating filters optimized for multi-carrier wireless transmitters. Thanks to its digital on-chip modulation, the DAC1405D750 allows the complex I and Q inputs to be converted from BaseBand (BB) to IF. The mixing frequency is adjusted via a Serial Peripheral Interface (SPI) with a 32-bit Numerically Controlled Oscillator (NCO) and the phase is controlled by a 16-bit register. Two modes of operation are available: separate data ports or a single interleaved high-speed data port. In the Interleaved mode, the input data stream is demultiplexed into its original I and Q data and then latched.

当前筛选条件