| CAD 模型: | View CAD Model |
| Pkg. Type: | WAFER |
| Pkg. Code: | DICEW |
| Lead Count (#): | |
| Pkg. Dimensions (mm): | 0.0 x 0.0 x 0.0 |
| Pitch (mm): |
| Moisture Sensitivity Level (MSL) | |
| Pb (Lead) Free | Yes |
| ECCN (US) | |
| HTS (US) |
| Lead Count (#) | 0 |
| Carrier Type | WFP |
| Pb (Lead) Free | Yes |
| Pb Free Category | e3 Sn |
| Temp. Range (°C) | -5 to 95°C |
| Application | 100G/200G coherent systems with 32Gbps QPSK/16QAM modulation format, Integrated optical modules for CFP/CFP2/CFP4 form factors |
| Channels (#) | 4 |
| Data Rate Max (Gbps) | 32 |
| Function | Linear TIA |
| MOQ | 70 |
| Pkg. Dimensions (mm) | 0.0 x 0.0 x 0.0 |
| Pkg. Type | WAFER |
| Qty. per Carrier (#) | 0 |
| Qty. per Reel (#) | 0 |
| Requires Terms and Conditions | Does not require acceptance of Terms and Conditions |
| Tape & Reel | No |
| 已发布 | No |
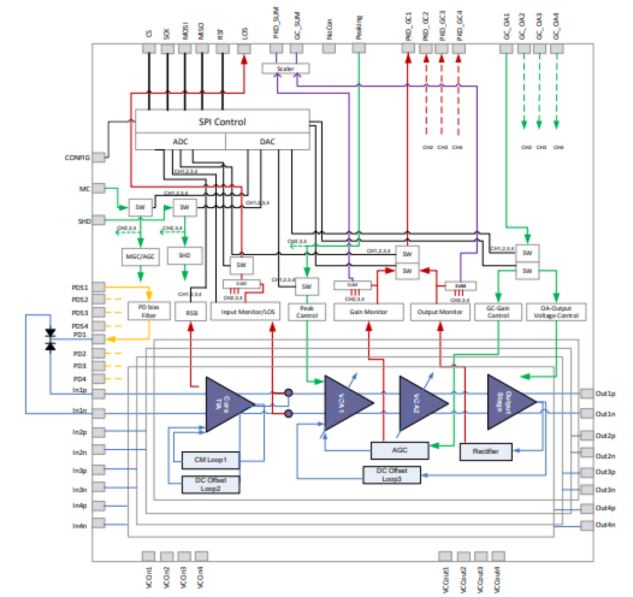
The GX32424 is a 32Gbps linear quad TIA chip that integrates four lanes of TIAs for XI, XQ, YI, and YQ channels, as well as digital interface circuitry for DC controls on a single die for 100G/200G coherent applications.
The TIA electrical characteristics, functions, and physical dimensions are designed for a small-form factor integrated optical module such as CFP2 and CFP4.