| CAD 模型: | View CAD Model |
| Pkg. Type: | DIE |
| Pkg. Code: | |
| Lead Count (#): | |
| Pkg. Dimensions (mm): | 0.0 x 0.0 x 0.00 |
| Pitch (mm): |
| Moisture Sensitivity Level (MSL) | Not Applicable |
| Pb (Lead) Free | Yes |
| ECCN (US) | 9A515.e.1 |
| HTS (US) | 8542.39.0090 |
| RoHS (HCS109HMSR) | 英语日文 |
| Pkg. Type | DIE |
| Carrier Type | Die Waffle Pack |
| Moisture Sensitivity Level (MSL) | Not Applicable |
| Pkg. Dimensions (mm) | 0.0 x 0.0 x 0.00 |
| DLA SMD | 5962R9578401V9A |
| Pb (Lead) Free | Yes |
| Pb Free Category | None |
| MOQ | 100 |
| Temp. Range (°C) | -55 to +125°C |
| DSEE (MeV·cm2/mg) | SEL free |
| Lead Compliant | No |
| Qualification Level | QML Class V (space) |
| Rating | Space |
| TID HDR (krad(Si)) | 200 |
| TID LDR (krad(Si)) | ELDRS free |
| Tape & Reel | No |
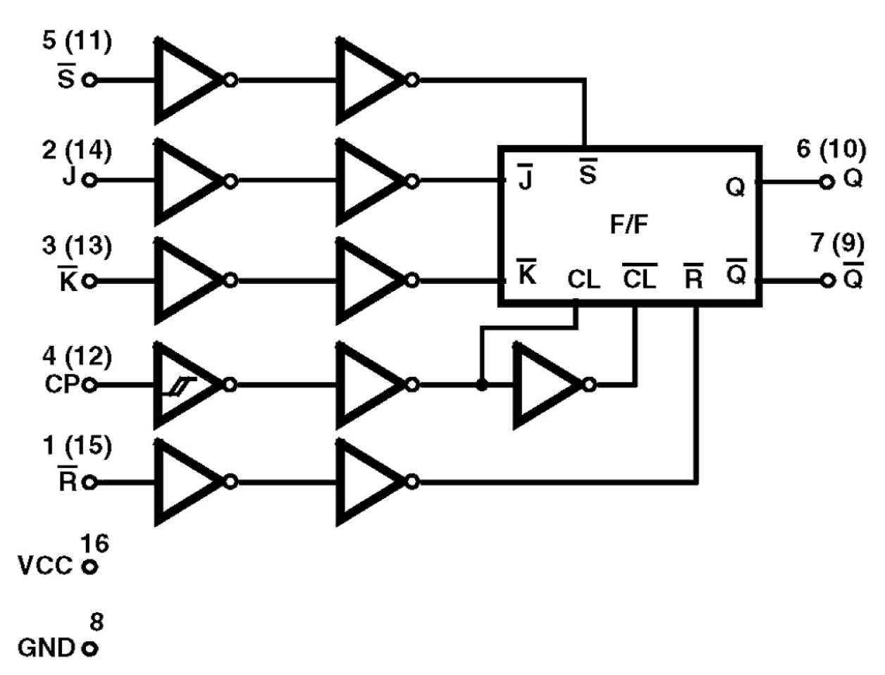
The Intersil HCS109MS is a radiation hardened dual J-K flip-flop with Set and Reset. The flip-flop changes state with the positive transition of the clock. The HCS109MS utilizes advanced CMOS/SOS technology to achieve high-speed operation. This device is a member of the radiation hardened, high-speed, CMOS/SOS logic family. The HCS109MS is supplied in a 16-lead Ceramic Flatpack (K suffix) or an SBDIP package (D suffix).