跳转到主要内容

特性

  • 3 micron radiation hardened SOS CMOS
  • Total dose 200K RAD (Si)
  • SEP effective LET no upsets: >100 MEV-cm2/mg
  • Single Event Upset (SEU) immunity <2 x 10-9 errors/bit-day (Typ)
  • Dose rate survivability: >1 x 1012 RAD (Si)/s
  • Dose rate upset >1010 RAD (Si)/s 20ns pulse
  • Cosmic ray upset immunity 2 x 10-9 error/gate day (Typ)
  • Latch-Up free under any conditions
  • Military temperature range: -55 °C to +125 °C
  • Significant power reduction compared to LSTTL ICs
  • DC operating voltage range: 4.5V to 5.5V
  • Input logic levels
  • VIL = 30% of VCC Max
  • VIH = 70% of VCC Min
  • Input current levels Ii ≤5µA at VOL, VOH

描述

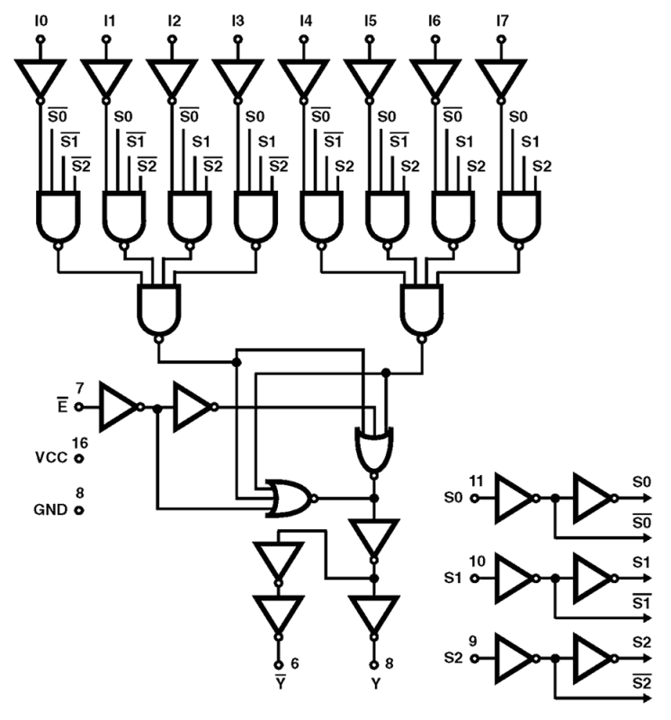
The Intersil HCS151MS is a radiation hardened 8-input multiplexer with three binary control inputs (S0, S1, S2) and an active low enable (E) input. The three binary signals select one of eight channels. Outputs are both inverting and non-inverting. The HCS151MS utilizes advanced CMOS/SOS technology to achieve high-speed operation. This device is a member of the radiation hardened, high-speed, CMOS/SOS logic family. The HCS151MS is supplied in a 16-lead ceramic flatpack (K suffix) or an SBDIP package (D suffix).

当前筛选条件