跳转到主要内容
瑞萨电子 (Renesas Electronics Corporation)

特性

  • LSTTL Output Logic Level Compatibility as well as CMOS Output Compatibility
  • High-Speed Operation: tpd (Clock to Q) = 15ns typ (CL = 50pF)
  • High Output Current: Fanout of 15 LSTTL Loads
  • Wide Operating Voltage: VCC = 4.5V to 5.5V
  • Low Input Current: 1µA max
  • Low Quiescent Supply Current: ICC (static) = 4µA max (Ta = 25°C)

描述

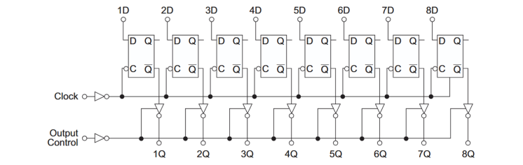
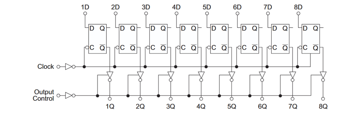
These devices are positive-edge triggered flip-flops. The difference between HD74HCT374 and HD74HCT534 is that the former is a true outputs and the latter is a false outputs. Data at the D inputs, meeting the setup and hold time requirements, are transferred to the Q outputs on positive-going transitions of the clock (CK) input. When a high logic level is applied to the output control (OC) input, all outputs go to a high impedance state, regardless of what signals are present at the other inputs and the state of the storage elements.

产品参数

属性
FunctionOctal D-type Flip-Flops with 3-state output
Temp. Range (°C)-40 to +85°C

当前筛选条件