特性
- 4Mbps data rate
- 2.5kVRMS isolation per UL 1577
- 600VRMS working voltage per VDE 0884
- 3V to 5V power supplies
- Single unit load receiver input
- Driver drives up to 150 unit loads
- 50kV/μs (typical), 30kV/μs (minimum) common-mode transient immunity
- 44000 years barrier life
- 15kV ESD bus-pin protection
- Thermal shutdown protection
- -40 °C to +85 °C temperature range
- Meets or exceeds ANSI RS-485
- 16 Ld QSOP and 0.3" true 8mm 16 Ld SOIC packages
- UL 1577 recognized
- VDE V0884-10 certified
描述
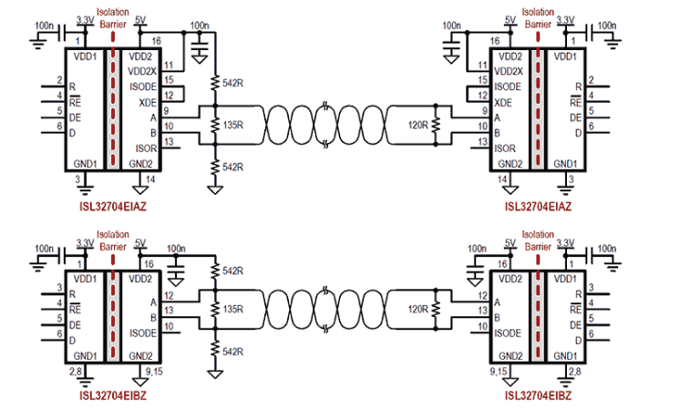
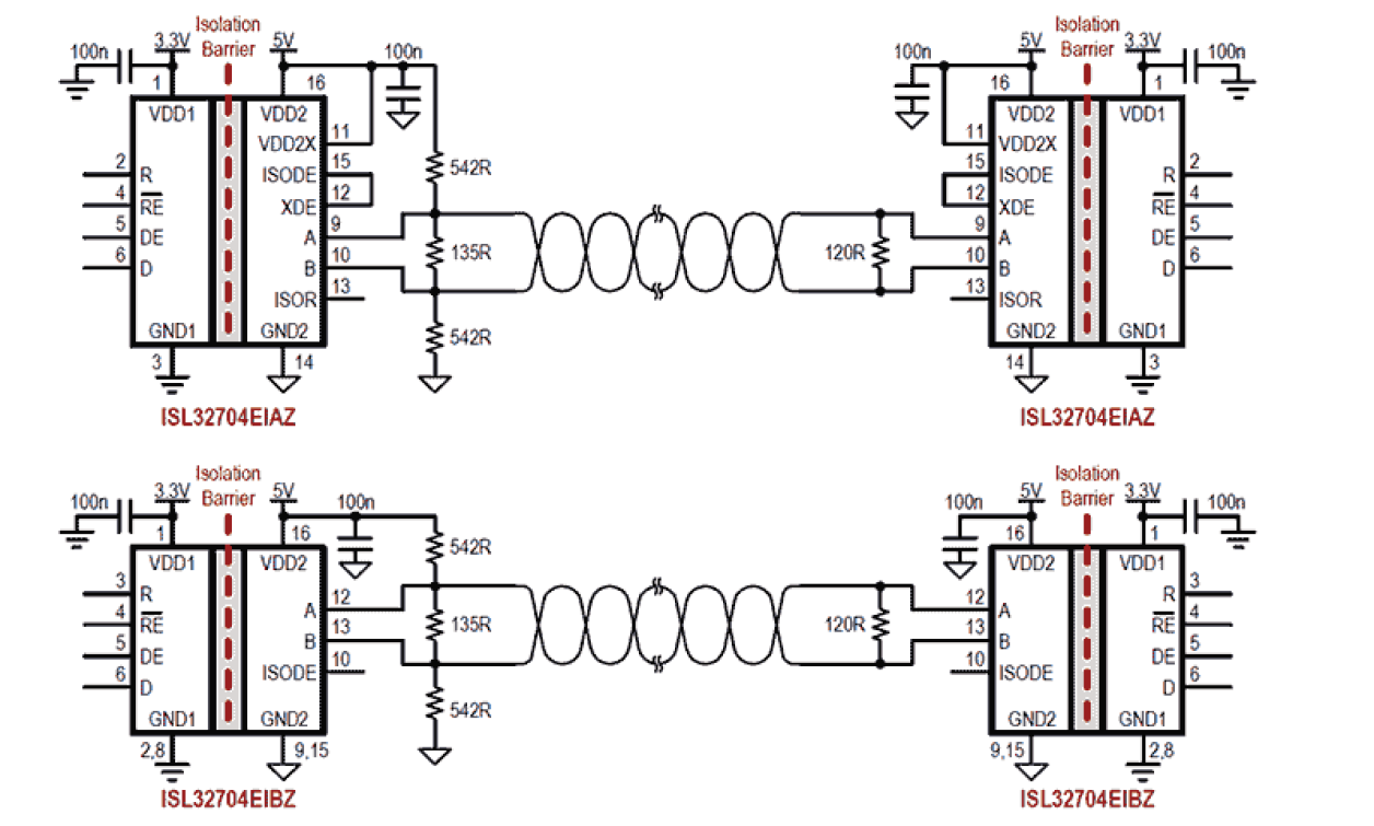
The ISL32704E is a galvanically isolated, differential bus transceiver designed for bidirectional data transmission and meeting the RS-485 and RS-422 standards for balanced communication. Each of the bus terminals, A and B, is protected against ±15kV ESD strikes without latch-up. The device uses giant magnetoresistance (GMR) as isolation technology. A unique ceramic/polymer composite barrier provides excellent isolation and virtually unlimited barrier life. The part is available in a 16 Ld QSOP package offering unprecedented miniaturization, and in a 16 Ld wide-body SOIC package providing true 8mm creepage distance. The ISL32704E delivers a minimum differential output voltage of 1. 5V into a 54Ω differential load for excellent data integrity over long cable lengths. The device is compatible with 3V and 5V input supplies, allowing interface to standard microcontrollers without additional level shifting. Current limiting and thermal shutdown features protect against output short circuits and bus contention that may cause excessive power dissipation. Receiver inputs feature a “fail-safe if open” design, ensuring a logic high R-output if A/B are floating.
应用
- Factory automation
- Security networks
- Building environmental control systems
- Industrial/Process control networks
- Level translators (i.e., RS-232 to RS-485)
当前筛选条件