| CAD 模型: | View CAD Model |
| Pkg. Type: | QFN |
| Pkg. Code: | LLF |
| Lead Count (#): | 24 |
| Pkg. Dimensions (mm): | 3.99 x 5.00 x 0.90 |
| Pitch (mm): |
| Moisture Sensitivity Level (MSL) | 3 |
| Pb (Lead) Free | Yes |
| RoHS (ISL58831CRZ) | 下载 |
| ECCN (US) | |
| HTS (US) |
| Lead Count (#) | 24 |
| Carrier Type | Tube |
| Moisture Sensitivity Level (MSL) | 3 |
| Pb (Lead) Free | Yes |
| Pb Free Category | Pb-Free 100% Matte Tin Plate w/Anneal-e3 |
| Temp. Range (°C) | 0 to +70°C |
| FMAX (MHz) | 600 |
| Fall Time | 0.0008 |
| IOUT (A) | 0.235 |
| Internal Oscillator | Yes |
| Length (mm) | 4 |
| MOQ | 4950 |
| Modulation | Variable |
| Output | Current |
| Parametric Applications | Combo CD-R DVD-R, DVD±RW to 8X, Writable optical disk drives |
| Pkg. Dimensions (mm) | 4.0 x 5.0 x 0.90 |
| Pkg. Type | QFN |
| Power-Down | Yes |
| Qualification Level | Standard |
| Rise Time (μs) | 0.8 |
| Supply Voltage (V) | 4.5 - 5.5 |
| Thickness (mm) | 0.9 |
| VS (Max) (V) | 5.5 |
| VS (Min) (V) | 4.5 |
| Width (mm) | 5 |
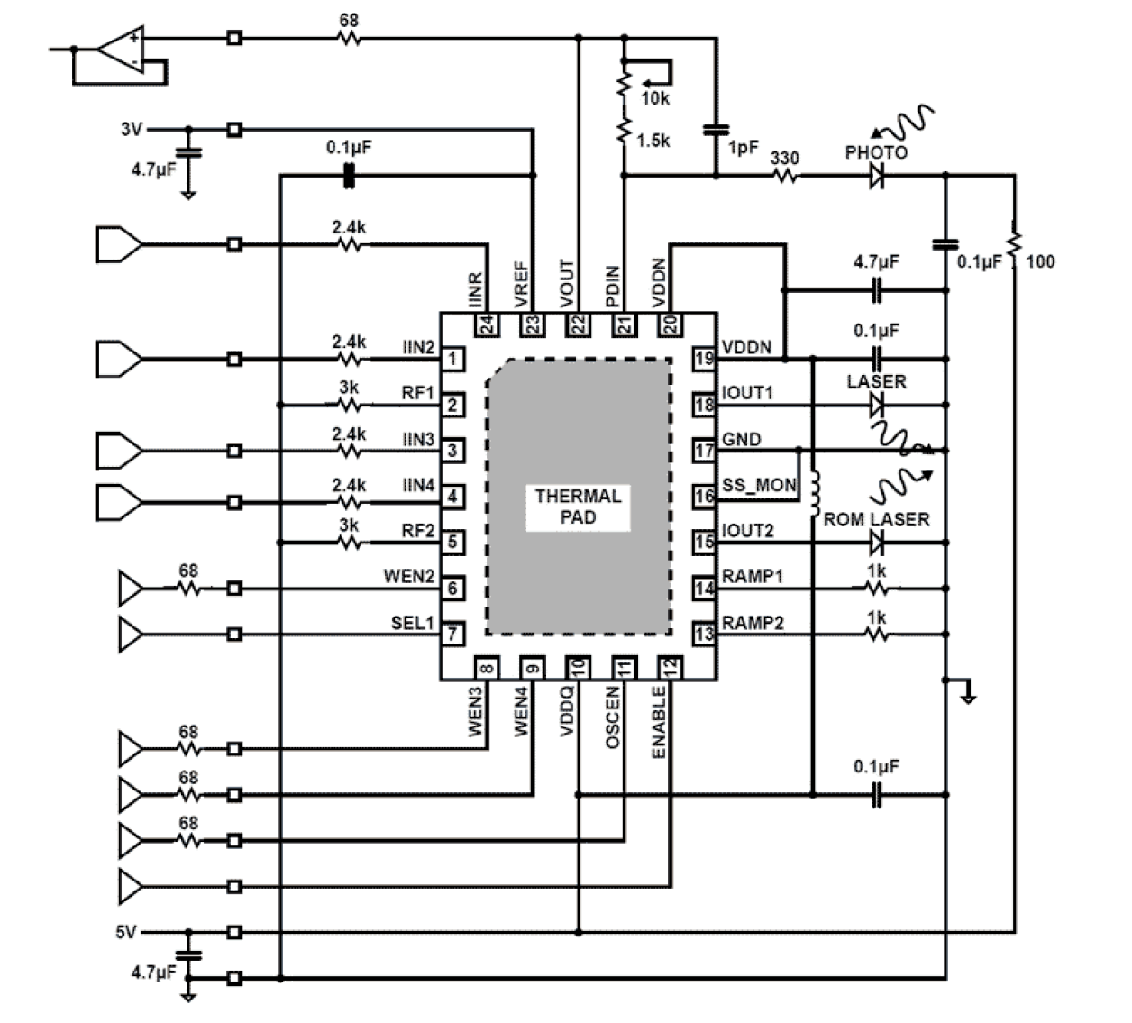
The ISL58831 is a combination read + 3 write level laser driver and IV amplifier, with an extra read + oscillator ROM channel for use in dual-laser ‘Combo’ drivers. A separate (amplitude and frequency) oscillator modulates the selected output for laser noise reduction during read or write. All these functions are provided in a 24 Ld QFN package. The SEL1 pin, when high, selects the DVD (write) laser. Positive current supplied to the IIN lines, through a user-selected resistor, allow the full-scale range of each amplifier to be matched to the full-scale range of the users control DACs. When the write laser is selected, and the WEN pins are switched low, the respective current is summed to the output with 1ns rise and fall times. Write channel 2 has 240mA output capability with an 250X gain amplifier. The 100mAP-P (maximum) oscillator is switched on and off by the OSCEN line. The SEL1 line allows the oscillator to operate at different amplitudes and frequencies for each laser. The entire chip is powered down when ENABLE is low. The user can define the gain of the I/V amplifier. With a slew rate of 200V/μs, the I/V amplifier can normally settle to 1% within 30ns. An internal spread spectrum circuit modulates the oscillator frequency to help reduce peak EMI.