跳转到主要内容
瑞萨电子 (Renesas Electronics Corporation)

特性

  • Operates from +5V Input
  • 0.8V to VIN Output Range
  • 0.8V Internal Reference
  • ±1.5% Over Line Voltage and Temperature
  • Drives N-Channel MOSFETs
  • Simple Single-Loop Control Design
  • Voltage-Mode PWM Control
  • Fast Transient Response
  • High-Bandwidth Error Amplifier
  • Full 0% to 100% Duty Cycle
  • Small Converter Size
  • 300kHz Fixed Frequency Oscillator
  • Internal Soft Start
  • 8 Ld SOIC or 16Ld 4mmx4mm QFN
  • QFN Package:
  • Compliant to JEDEC PUB95 MO-220 QFN - Quad Flat No Leads - Package Outline
  • Near Chip Scale Package footprint, which improves PCB efficiency and has a thinner profile
  • Pb-free Plus Anneal Available (RoHS compliant)

描述

Support is limited to customers who have already adopted these products.

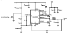
The ISL6520B makes simple work out of implementing a complete control scheme for a DC/DC stepdown converter. Designed to drive N-channel MOSFETs in a synchronous buck topology, the ISL6520B integrates the control, output adjustment and monitoring functions into a single 8 Lead package. The ISL6520B provides simple, single feedback loop, voltage-mode control with fast transient response. The output voltage can be precisely regulated to as low as 0. 8V, with a maximum tolerance of ±1. 5% over-temperature and line voltage variations. A fixed frequency oscillator reduces design complexity, while balancing typical application cost and efficiency. The error amplifier features a 15MHz gain-bandwidth product and 8V/µs slew rate which enables high converter bandwidth for fast transient performance. The resulting PWM duty cycles range from 0% to 100%.

应用

  • Power Supplies for Microprocessors PCs Embedded Controllers
  • Subsystem Power Supplies PCI/AGP/GTL+ Buses ACPI Power Control SSTL-2 and DDR SDRAM Bus Termination Supply
  • Cable Modems, Set-Top Boxes, and DSL Modems
  • DSP and Core Communications Processor Supplies
  • Memory Supplies
  • Personal Computer Peripherals
  • Industrial Power Supplies
  • 5V-Input DC/DC Regulators
  • Low-Voltage Distributed Power Supplies

当前筛选条件