| CAD 模型: | View CAD Model |
| Pkg. Type: | SOIC |
| Pkg. Code: | MOR |
| Lead Count (#): | 14 |
| Pkg. Dimensions (mm): | 8.65 x 3.9 x 1.75 |
| Pitch (mm): | 1.27 |
| Moisture Sensitivity Level (MSL) | 3 |
| Pb (Lead) Free | Yes |
| RoHS (ISL6614ACBZ-T) | 下载 |
| ECCN (US) | |
| HTS (US) |
| Lead Count (#) | 14 |
| Carrier Type | Reel |
| Moisture Sensitivity Level (MSL) | 3 |
| Pitch (mm) | 1.3 |
| Pkg. Dimensions (mm) | 8.7 x 3.9 x 0.00 |
| Pb (Lead) Free | Yes |
| Pb Free Category | Pb-Free 100% Matte Tin Plate w/Anneal-e3 |
| Temp. Range (°C) | 0 to +70°C |
| IS (mA) | 7.1 |
| Length (mm) | 8.7 |
| MOQ | 2500 |
| No Load IS (Max) | 4.5 |
| Output Per Driver LGATE Source|Sink | 2|3 |
| Output Per Driver UGATE Source|Sink | 1.25|2 |
| Parametric Category | Multiphase DC/DC Switching Controllers |
| Phase Voltage (Max) | 15VDC, 30V (<200ns) |
| Phase Voltage (Min) | GND - 0.3VDC GND - 8V (<400ns) |
| Pkg. Type | SOICN |
| Qualification Level | Standard |
| VDRIVE (V) (V) | 5 - 5 |
| VIN/VPWM (Max) | GND - 0.3V to 7V |
| Width (mm) | 3.9 |
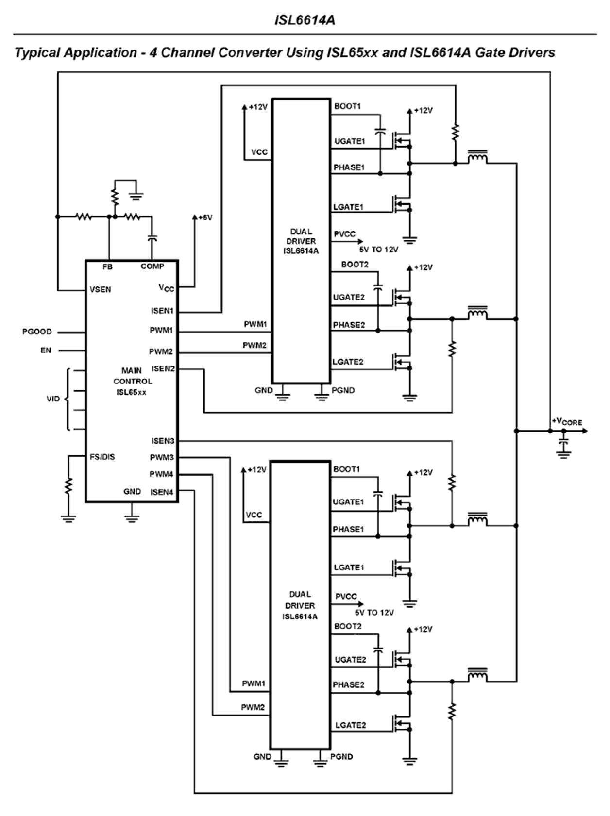
The ISL6614A integrates two ISL6613A MOSFET drivers and is specifically designed to drive two Channel MOSFETs in a synchronous rectified buck converter topology. These drivers combined with HIP63xx or ISL65xx Multiphase Buck PWM controllers and N-Channel MOSFETs form complete core voltage regulator solutions for advanced microprocessors. The ISL6614A drives both the upper and lower gates simultaneously over a range from 5V to 12V. This drive voltage provides the flexibility necessary to optimize applications involving trade-offs between gate charge and conduction losses. An advanced adaptive zero shoot-through protection is integrated to prevent both the upper and lower MOSFETs from conducting simultaneously and to minimize the dead time. These products add an overvoltage protection feature operational before VCC exceeds its turn-on threshold, at which the PHASE node is connected to the gate of the low side MOSFET (LGATE). The output voltage of the converter is then limited by the threshold of the low side MOSFET, which provides some protection to the microprocessor if the upper MOSFET(s) is shorted during startup. The ISL6614A also features a three-state PWM input which, working together with Intersil's Multiphase PWM controllers, prevents a negative transient on the output voltage when the output is shut down. This feature eliminates the Schottky diode that is used in some systems for protecting the load from reversed output voltage events.