| CAD 模型: | View CAD Model |
| Pkg. Type: | DIE |
| Pkg. Code: | |
| Lead Count (#): | 24 |
| Pkg. Dimensions (mm): | |
| Pitch (mm): |
| Moisture Sensitivity Level (MSL) | |
| Pb (Lead) Free | No |
| ECCN (US) | EAR99 |
| HTS (US) | 8542.39.0090 |
| Pkg. Type | DIE |
| Lead Count (#) | 24 |
| Pb (Lead) Free | No |
| MOQ | 100 |
| Temp. Range (°C) | -55 to +125°C |
| CAGE code | 34371 |
| Control Mode | Peak Current Mode |
| DSEE (MeV·cm2/mg) | 86 |
| Die Sale Availability? | Yes |
| Duty Cycle (Max) (%) | 97 |
| Flow | RH Hermetic |
| No-Load Operating Current | 12 mA |
| Operating Freq (Max) (MHz) | 1.5 |
| Outputs (#) | 2 |
| PROTO Availability? | Yes |
| Phase of Outputs | Out of Phase |
| Phases (Max) | 2 |
| Qualification Level | Class Ve |
| Quiescent Current | 11µA |
| Rating | Space |
| Supply Voltage (max) (V) | 19 - 19 |
| Supply Voltage (min) (V) | 4.5 - 4.5 |
| Switching Frequency (max) (kHz) | 1500 |
| Switching Frequency (min) (kHz) | 250 |
| TID HDR (krad(Si)) | 100 |
| TID LDR (krad(Si)) | 75 |
| Topology | Sync. Buck |
| UVLO Rising (V) | 4.2 |
| VDD Range (V) (V) | 4.5 - 19 |
| VREF (V) | 0.6 |
| VREF Output | Yes |
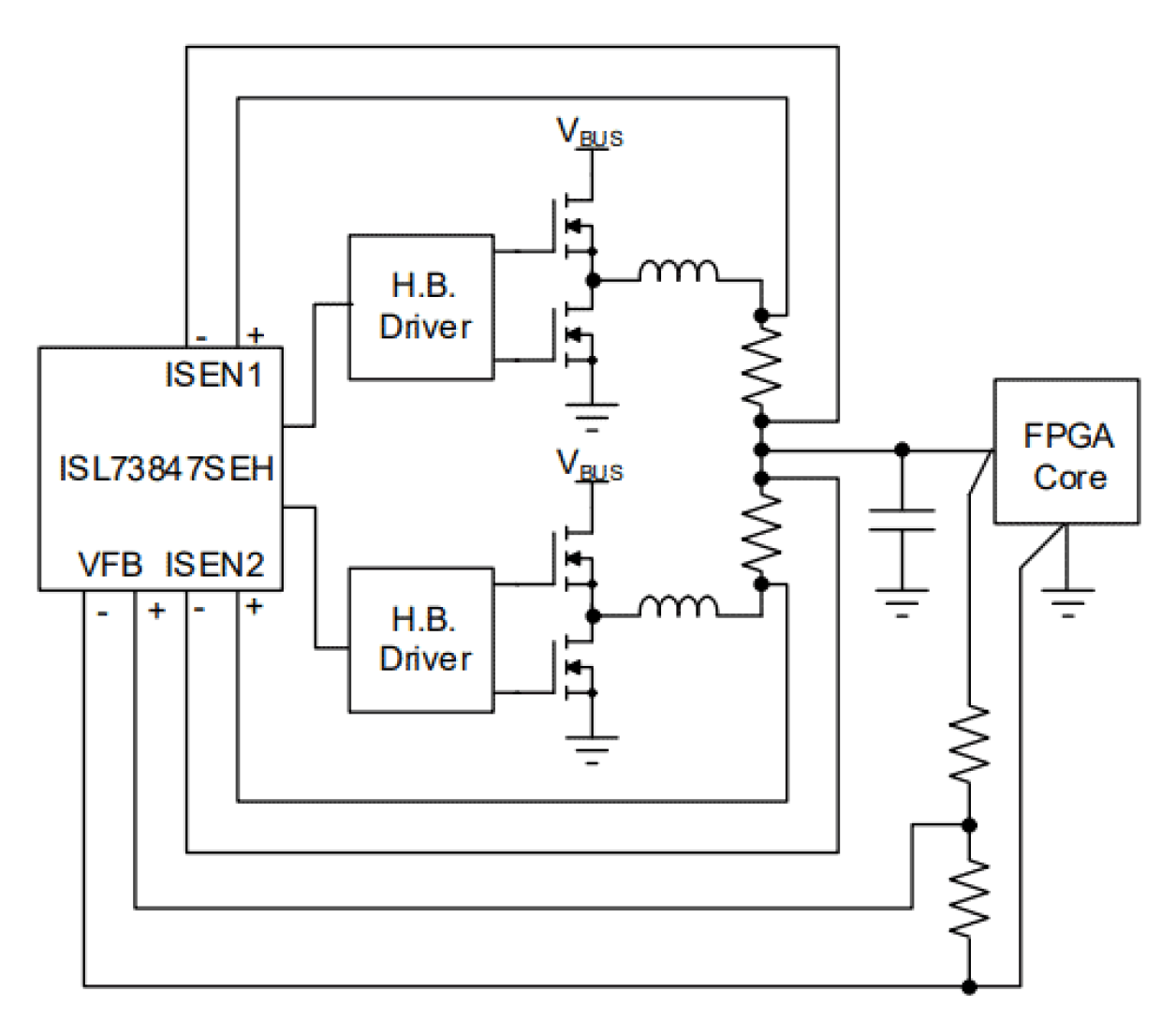
The ISL73847SEH is a synchronous buck controller that can operate as a single or dual-phase controller. It is intended to work with the ISL73041SEH (half-bridge GaN FET driver) to generate Point-of-Load voltage rails for commercial space applications.
It accepts an input voltage range of 4.5V to 19V with a programmable output switching frequency between 250kHz and 1.5MHz with a single resistor. The output can regulate a voltage upwards of 600mV and is limited on the top end by the minimum of time and selected switching frequency.
The wide input voltage range makes it a suitable power supply option for a high-current FPGA core and other general-purpose power solutions. The ISL73847SEH uses current mode modulation which simplifies loop compensation and provides excellent power supply rejection. Additionally, the output is remotely sensed to compensate for any voltage drop in the load conditions. All of this put together results in a robust power supply solution that requires minimal components while achieving high current density.
The ISL73847SEH also features a tri-level output which provides excellent protection against faults by driving a mid-scale voltage to signal the power stage to enter a Hi-Z condition.
The ISL73847SEH operates across the military temperature range from -55 °C to +125 °C and is available in a 24 Ld hermetically sealed Ceramic Dual Flatpack (CDFP) package or in die form.