跳转到主要内容
瑞萨电子 (Renesas Electronics Corporation)

特性

  • Three Integrated Synchronous Buck PWM Controllers
  • Internal Bootstrap Diodes
  • Independent Programmable Output Voltage
  • Independent Power-Good Indicators, Soft-Starting and Tracking
  • Power Failure Monitor
  • Light Load Efficiency Enhancement
  • Low Ripple Diode Emulation Mode with Pulse Skipping
  • Supports Pre-Biased Output
  • Programmable Frequency: 200kHz to 1200kHz
  • Adaptive Shoot-through Protection
  • Out-of-Phase Switching (0°/180°/0°)
  • No External Current Sense Resistor
  • Uses Lower MOSFET's rDS(ON)
  • Complete Protection
  • Overcurrent, Overvoltage, Over-Temperature
  • Wide Input Voltage Range: 4.5V to 28V
  • Pb-Free (RoHS Compliant)

描述

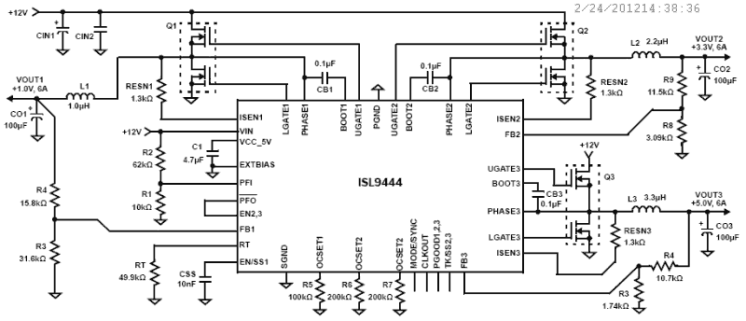
The ISL9444 is a triple-output synchronous buck controller that integrates three PWM controllers which are fully featured and designed to provide multi-rail power for use in products such as cable and satellite set-top boxes, VoIP gateways, cable modems, and other home connectivity products as well as a variety of industrial and general purpose applications. Each output is adjustable down to 0. 7V. The PWMs are synchronized at 180° out-of-phase, thus reducing the input RMS current and ripple voltage. The ISL9444 offers independent power-good indicators, programmable soft-start and tracking functions for ease of supply rail sequencing and integrated UV/OV/OC/OT protections in a space conscious 5mmx5mm QFN package. Switching frequency can be set between 200kHz and 1200kHz using a resistor. The ISL9444 can be synchronized to another ISL9444 to reduce any beat frequency. The ISL9444 utilizes internal loop compensation to keep minimum peripheral components for a compact design and a low total solution cost. These devices are implemented with current mode control with feed-forward to cover various applications even with fixed internal compensations.

应用

  • VoX Gateway Devices
  • NAS/SAN Devices
  • ATX Power Supplies

当前筛选条件