| CAD 模型: | View CAD Model |
| Pkg. Type: | SOIC-8 |
| Pkg. Code: | |
| Lead Count (#): | 8 |
| Pkg. Dimensions (mm): | |
| Pitch (mm): |
| Pb (Lead) Free | |
| Moisture Sensitivity Level (MSL) | |
| ECCN (US) | |
| HTS (US) |
| Lead Count (#) | 8 |
| Protection Features | OVP/OTP (w/ Latch), OVP, IUVP, PCL/OCP, SRSC |
| Advanced Features | EZ-EMI, Fastest DLR w/iW628, PrimAccurate |
| Application | Adapters, Chargers, Networking |
| Control Mode | Primary-Side Regulation Peak Current Mode DCM |
| Controller / Integrated | Controller |
| FET Driver Output Current (Max) (A) | 0.75 |
| No Load Power (mW) | 20 |
| Output Power (Min) (W) | 5 |
| Output Power Max (W) | 25 |
| PWMs (#) | 1 |
| Parametric Category | Flyback & Forward Controllers |
| Pass Device | FET |
| Pkg. Type | SOIC-8 |
| Qualification Level | Standard |
| Switching Frequency (KHz) | 79 - 79 |
| Topology Characteristic | Flyback |
| UVLO Falling (V) | 6.5 |
| UVLO Rising (V) | 12 |
| VBIAS (Max) (V) | 20 |
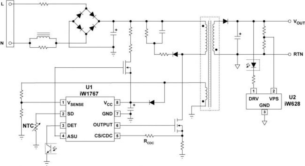
The iW1767 offers high-performance and very fast dynamic load response (DLR) while maintaining ultra-low no-load power consumption. Ideal for 15W to 24W AC/DC power supplies for embedded and networking applications, the iW1767 uses Renesas' advanced digital power supply technology to offer a solution that provides the ruggedness, efficiency and performance necessary in high-reliability devices.
The iW1767 easily meets the US DoE’s external power supply standard and the EU’s Code of Conduct, Version 5, Tier 2 standard, with no-load power consumption less than 20mW while complying with active mode efficiency requirements. As a PrimAccurate™ controller, it does not need any direct secondary-side feedback components, eliminating the need for optocouplers and reducing component count and solution cost. Additional features include an input for the iW628 detection circuit to further increase the response time to load changes, high efficiency across a broad load range and a full complement of protection features to ensure safe and rugged operation.