跳转到主要内容
瑞萨电子 (Renesas Electronics Corporation)

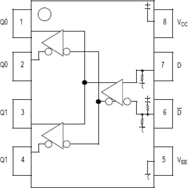
特性

  • 270 ps Typical Propagation Delay
  • Maximum Frequency > 3 GHz Typical
  • PECL Mode Operating Range: VCC = 2.375 V to 3.8 V with VEE = 0 V
  • ECL Mode Operating Range: VCC = 0 V with VEE = -2.375 V to -3.8 V
  • Open Input Default State
  • Q Output Will Default LOW with Inputs Open or at VEE
  • LVDS Input Compatible
  • 8-Lead SOIC and TSSOP Pb-Free Packages Available

描述

The MC100ES6011 is a differential 1:2 fanout buffer. The ES6011 is ideal for applications requiring lower voltage. The 100ES Series contains temperature compensation.

当前筛选条件