跳转到主要内容
瑞萨电子 (Renesas Electronics Corporation)

特性

  • Low Supply Current
  • Automatic Current-Limit Switch Control
  • Automatic USB Charger Identification Circuit
  • Apple iPad* @ 2.4A charging current support
  • Chinese Telecom Standard YD/T 1591-2009 specification support
  • Samsung Galaxy Tab** charge scheme support
  • Pb-Free / RoHS Compliant / Halogen-Free
  • TDFN-8 Package

描述

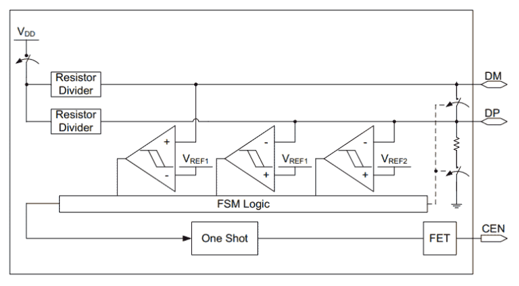
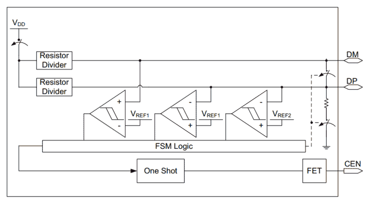
The SLG55570A is a USB host charger (dedicated charger) identification circuit. The device supports both the latest USB Battery Charging Specification Revision 1.2 including data contact detection and a set resistor bias for Apple* compliant devices as well as legacy USB D+/D- short detection using data line pull-up.

应用

  • USB Ports/Hubs
  • Notebook PCs
  • Power bank
  • Car charger
  • Universal Wall Charging Adapter

当前筛选条件