特性
- Gain bandwidth product (AV ≥ 5): 100MHz
- High input impedance: 500MΩ
- Low input bias current: 1nA
- Low input offset current: 1nA
- Low input offset voltage: 3mV
- High gain: 150kV/V
- Slew rate: 35V/µs
- Output short-circuit protection
- Compensation pin for unity gain capability
描述
The HA-2620 is a bipolar operational amplifier (op amp) that features very high input impedance (500MΩ) coupled with wideband AC performance. The high resistance of the input stage is complemented by low offset voltage (0. 5mV) and low bias and offset current (1nA) to facilitate accurate signal processing. Input offset can be reduced further by means of an external nulling potentiometer. The 100MHz gain bandwidth product (HA‑2620 is stable for closed loop gains greater than 5), 35V/µs slew rate, and 150kV/V open loop gain enable the HA‑2620 to perform high-gain amplification of very fast, wideband signals. These dynamic characteristics, coupled with fast settling times, make this amplifier ideally suited to pulse amplification designs and high frequency (such as video) applications. The frequency response of the amplifier can be tailored to exact design requirements by means of an external bandwidth control capacitor connected from the COMP pin to GND. In addition to its application in pulse and video amplifier designs, HA-2620 is suited to other high performance designs such as high-gain low distortion audio amplifiers, high-Q and wideband active filters, and high-speed comparators. For more information, see Application Note AN519.
产品参数
| 属性 | 值 |
|---|---|
| Rating | Harsh Environment |
| Bandwidth (MHz) | 100 |
| Channels (#) | 1 |
| CMRR (dB) | 100 |
| IOUT (mA) | 22 |
| IS per Amp (mA) | 3 |
| Noise VN (nV/√Hz) | 11 |
| Offset Voltage (max) | 500µV |
| PSRR (db) | 90 |
| Rail-to-Rail Input/Output | No |
| Slew Rate (V/µs) | 35 |
| Supply Voltage (min) (V) | 10 - 10 |
| Supply Voltage (max) (V) | 40 - 40 |
| Temp. Range (°C) | -55 to +125°C |
| Flow | Harsh Environment & MIL-STD-883 |
| Qualification Level | Standard |
| Die Sale Availability? | No |
| PROTO Availability? | No |
封装选项
| Pkg. Type | Pkg. Dimensions (mm) | Lead Count (#) | Pitch (mm) |
|---|---|---|---|
| CAN | 9.1 x 9.1 x 0.00 | 8 | 5.1 |
应用
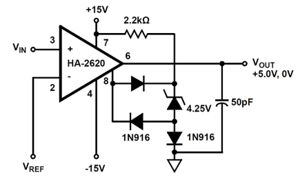
- Video and RF Amplifier
- Pulse Amplifier
- Audio Amplifiers and Filters
- High-Q Active Filters
- High Speed Comparators
- Low Distortion Oscillator
当前筛选条件