跳转到主要内容

特性

  • >90% Efficiency
  • 4.0A, 120mΩ Power MOSFET
  • 2.3V to 6.0V Input
  • 1.1*VIN to 25V Output
  • 640kHz/1.2MHz Switching Frequency Selection
  • Adjustable Soft-Start
  • Internal Thermal Protection
  • 0.8mm Max Height 10 Ld TDFN Package
  • Pb-Free (RoHS Compliant)
  • Halogen Free

描述

The ISL97656 is a high frequency, high efficiency step-up voltage regulator operated at constant frequency PWM mode. With an internal 4. 0A, 120mΩ MOSFET, it can deliver up to 2A output current at over 90% efficiency. The selectable 640kHz and 1. 2MHz allows smaller inductors and faster transient response. An external compensation pin gives the user greater flexibility in setting frequency compensation allowing the use of low ESR Ceramic output capacitors. When shut down, it draws 1µA of current and can operate down to 2. 3V input supply. These features, along with 1. 2MHz switching frequency, make it an ideal device for portable equipment and TFT-LCD displays. The ISL97656 is available in a 10 Ld TDFN package with a maximum height of 1. 1mm. The device is specified for operation over the full -40°C to +85°C temperature range.

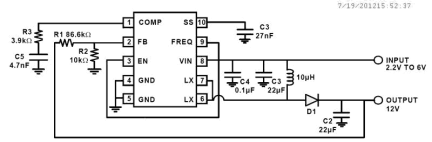
应用方框图

Mid-Range CSA Aliro-Ready Smart Lock Block Diagram
支持 Aliro 的中档智能锁——为即将推出的新标准而设计
智能锁平台专为支持 Aliro 设计,提供安全访问并优化功耗。
Entry-Level Apple HomeKit-Ready Smart Lock Block Diagram
支持 Apple HomeKit 的基础款智能锁
Apple HomeKit 智能锁可通过蓝牙、NFC、Wi-Fi 和 UWB 实现安全访问。

其他应用

  • TFT-LCD Displays
  • DSL Modems
  • PCMCIA Cards
  • Digital Cameras
  • GSM/CDMA Phones
  • Portable Equipment
  • Handheld Devices

当前筛选条件