跳转到主要内容
瑞萨电子 (Renesas Electronics Corporation)

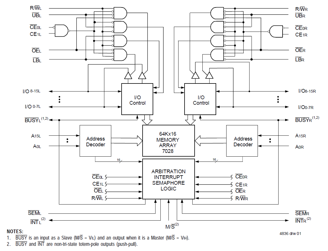
异步双端口 RAM

我们提供卓越的异步双端口 RAM 解决方案,这些方案融合了我们先进的技术特性与深厚的系统设计专业知识。 我们的存储器件无需时钟输入或输出即可运行,能即时响应地址和控制引脚的变化。 这些动态 RAM 支持从两条总线同时访问单个静态 SRAM 存储器位置,可在提升系统性能的同时简化设计。 我们的异步双端口 RAM 配备了仲裁逻辑,最大限度地减少了系统冲突,特别适用于高带宽场景。

提高带宽效率

提高带宽效率

双 SRAM 带宽可为高要求应用场景实现更高的系统性能。

简化系统设计

简化系统设计

降低复杂性,实现更快且更高效的开发。

加快上市速度

加快上市速度

缩短设计周期,加快产品上市速度,更快进入市场。

可定制电压选项

可定制电压选项

支持 2.5V 至 5V I/O 电压,满足不同的系统要求。

关于双端口存储器

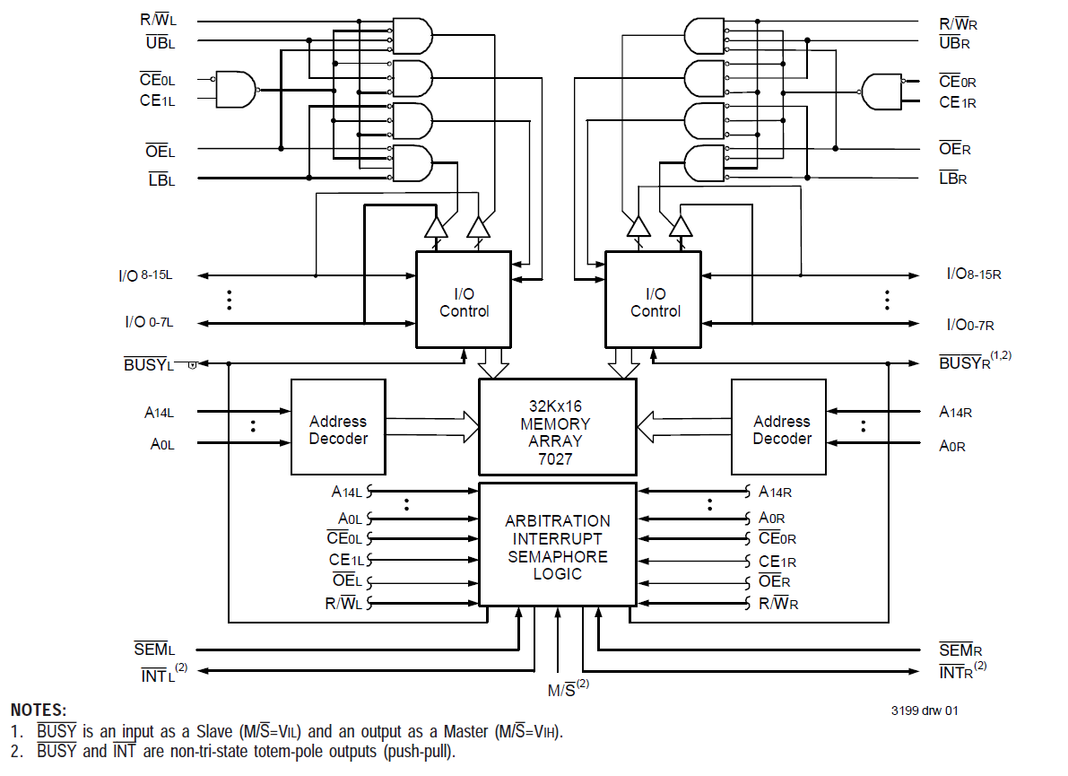
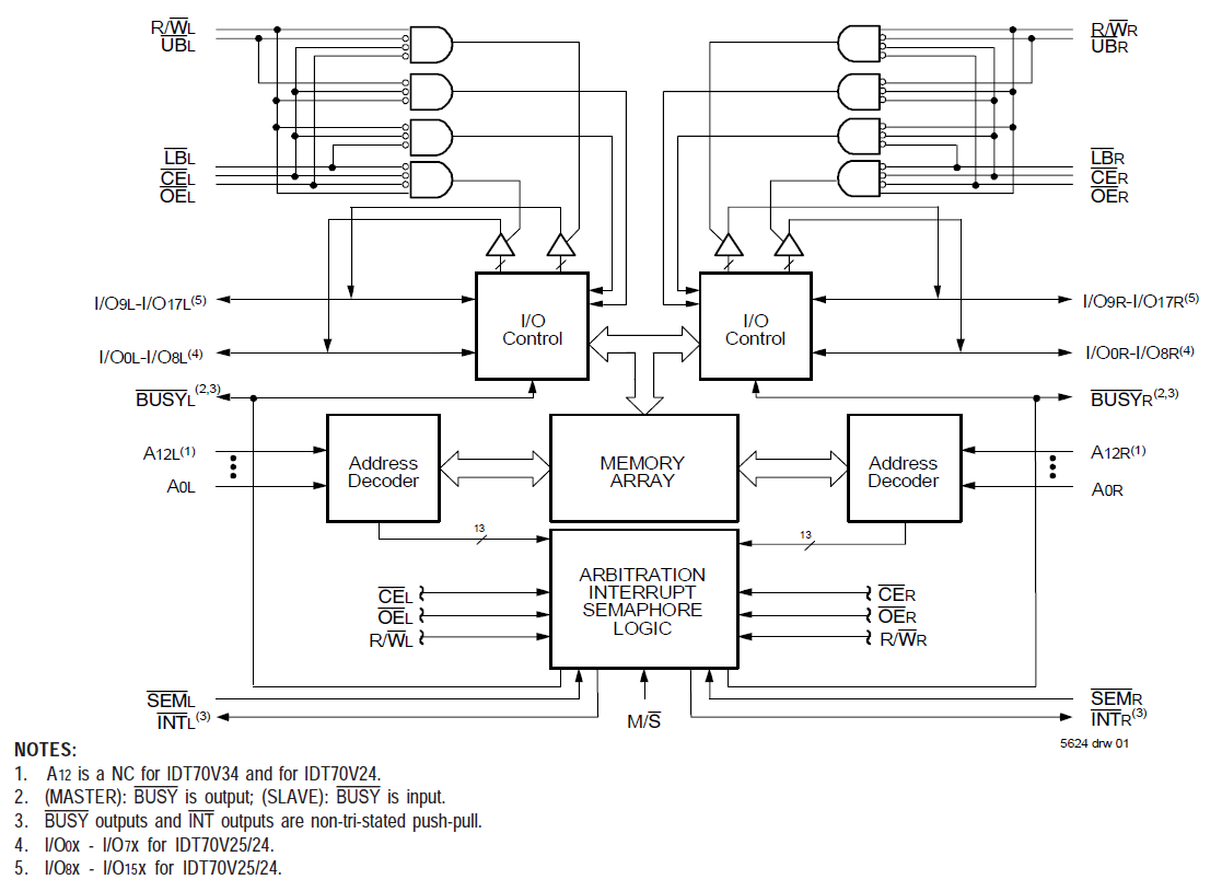
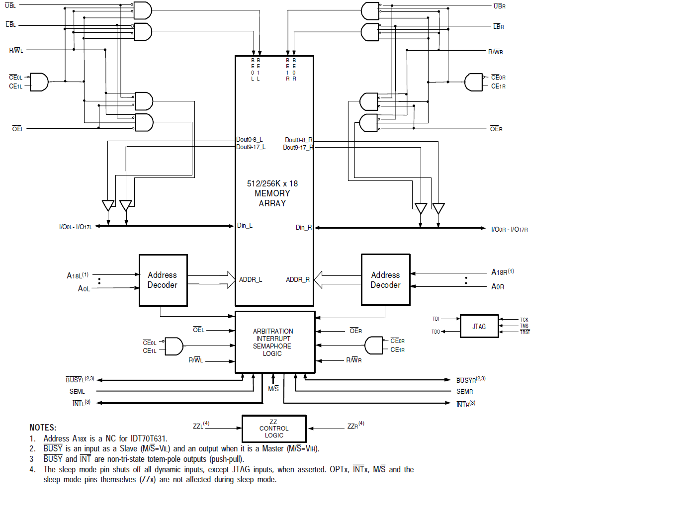
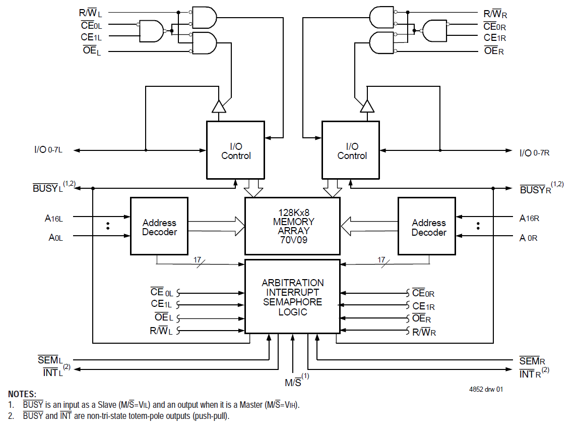
双端口存储器(又称为双端口 RAM)支持在存储器内部同时进行多次读取或写入,以提高系统性能。 双端口存储器支持每个时钟周期访问两个存储器单元,而单端口存储器只能访问一个单元。 我们的双端口解决方案采用经过优化的八晶体管基础存储单元,并使用高度紧凑型封装,从而避免了加大芯片尺寸的需求。

双端口关键参数

  • 核心电压:为双端口 RAM 供电的电源电压,通常由系统的可用电源轨决定。
  • I/O 电压:用于数据输入和输出的电压,在某些器件中该电压与核心电压相互独立。
  • 总线宽度:用于读取和写入双端口 RAM 的“通道”数量。 瑞萨电子提供所有常用配置。
  • 存储器密度:双端口 RAM 可容纳的位数。 我们提供高达 18Mb 的容量。
  • 存取时间:查找并提供信息以供处理所需的时间。 瑞萨电子解决方案可实现仅 8 纳秒的存取速度。

支持

浏览文章

知识库

浏览我们的知识库,获取文章、常见问题解答及其他实用资源。
支持社区

支持社区

在线询问瑞萨电子工程社群的技术人员,快速获得技术支持。