特性
- Unique compensation-free design – always stable
- Output voltage range: 0.54V to 5.5V
- Input voltage range: 4.5V to 14V
- 1% output voltage accuracy over line, load, and temperature
- ChargeMode control achieves fast transient response, reduced output capacitance, and provides output stability without compensation
- 2-channel output, 2-, 4-, 6-, or 8-phase output with two, three, or four devices
- Switching frequency range 200kHz to 1.33MHz
- Proprietary single-wire DDC (Digital-DC) serial bus enables voltage sequencing and fault spreading with other Intersil digital power ICs
- Inductor peak and averaged over and undercurrent protection
- Digital fault protection for output voltage UV/OV, input voltage UV/OV, temperature, and MOSFET driver voltage
- Accurate average output current measurement with adjustable gain settings for sensing with SPS current monitor outputs or high current, low DCR inductors
- Monitor ADC measures input voltage, input current, output voltage, driver voltage, internal and external temperature
- Nonvolatile memory for storing operating parameters and fault events
- PMBus compliant
描述
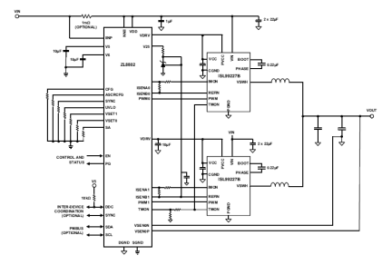
The ZL8802 is a dual output or dual phase digital DC/DC controller. Each output can operate independently or be used together in a dual phase configuration for high current applications supporting 2-, 4-, 6-, and 8-phase operation with up to four ZL8802 controllers. The ZL8802 supports a wide range of output voltages (0. 54V to 5. 5V) operating from input voltages as low as 4. 5V up to 14V. With the fully digital ChargeMode control, the ZL8802 will respond to a transient load step within a single switching cycle. This unique compensation-free modulation technique allows designs to meet transient specifications with minimum output capacitance, thus saving cost and board space. The proprietary single-wire Digital-DC™ (DDC) serial bus enables the ZL8802 to communicate between other Intersil digital power ICs. By using the DDC, the ZL8802 achieves complex functions such as inter-IC phase current balancing, sequencing, and fault spreading. This eliminates complicated power supply managers with numerous external discrete components. The ZL8802 features fast output overcurrent protection. The input voltage, output voltages, and DrMOS/MOSFET driver supply voltages are overvoltage and undervoltage protected. Two external temperature sensors and one internal temperature sensor are available for temperature monitoring, one of which can be configured for under- and over-temperature protection. A snapshot parametric capture feature allows users to take a snapshot of operating and fault data during normal or fault conditions. Integrated Low Dropout (LDO) regulators allow the ZL8802 to operate from a single input supply eliminating the need for additional linear regulators. The VDRV LDO output can be used to power external drivers or DrMOS devices. With full PMBus compliance, the ZL8802 is capable of measuring and reporting input voltage, input current, output voltage, output current, as well as the device's internal temperature, two external temperatures, and an auxiliary voltage or temperature input.
当前筛选条件
 
