跳转到主要内容
瑞萨电子 (Renesas Electronics Corporation)

特性

  • Two programming options: ICS1562B-001 (Parallel Programming) ICS1562B-201 (Serial Programming)
  • Supports high-resolution graphics - CLK output to 260 MHz, with 400 MHz options available
  • Eliminates need for multiple ECL output crystal oscillators
  • Fully programmable synthesizer capability - not just clock multiplier
  • Circuitry included for reset of Brooktree RAMDAC pipeline delay
  • VRAM shift clock generation capability (-201 option only)
  • External feedback loop capability (-201 option only)
  • Compact - 16-pin 0.150" skinny SOIC package
  • Fully backward compatible to ICS1562

描述

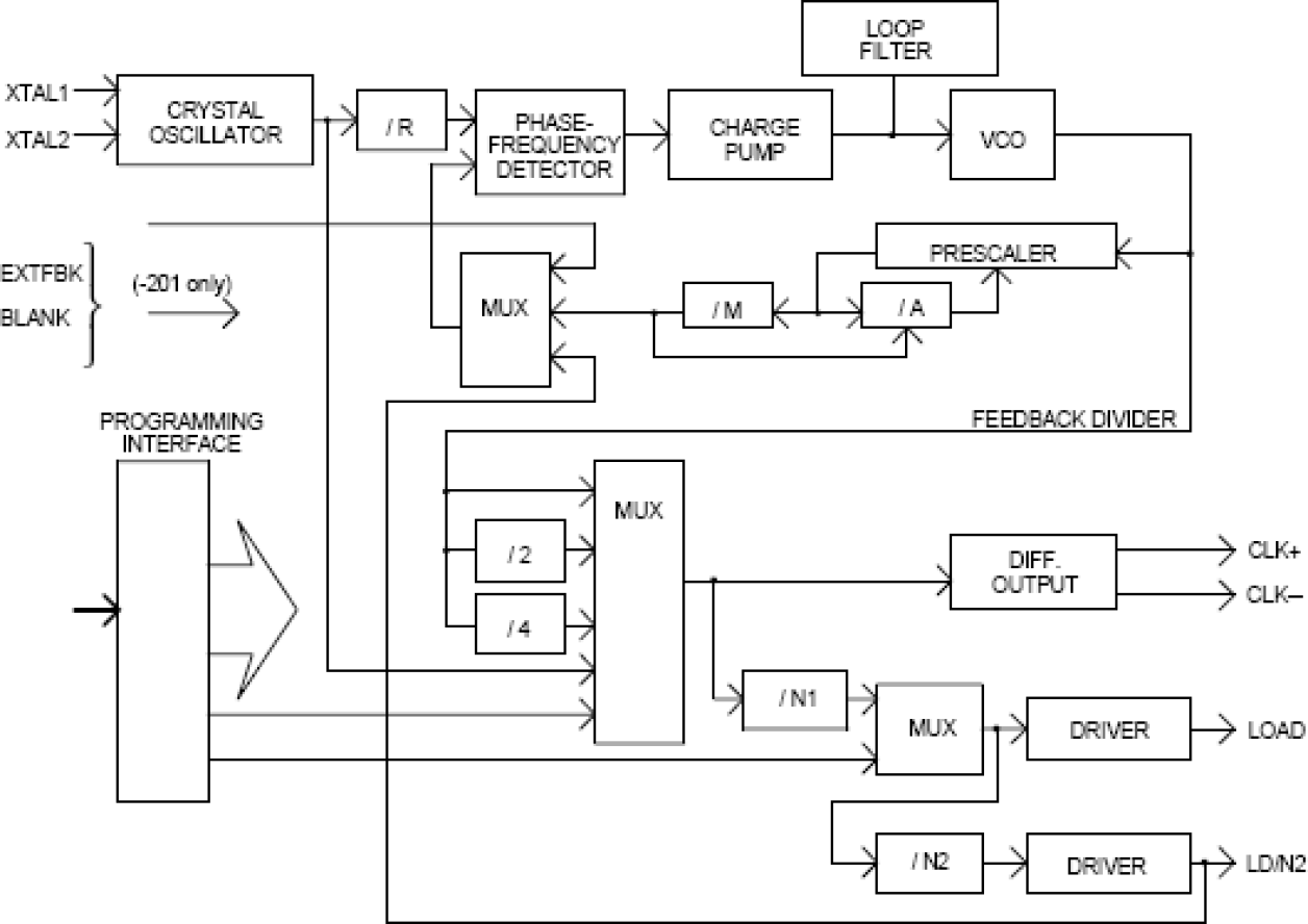
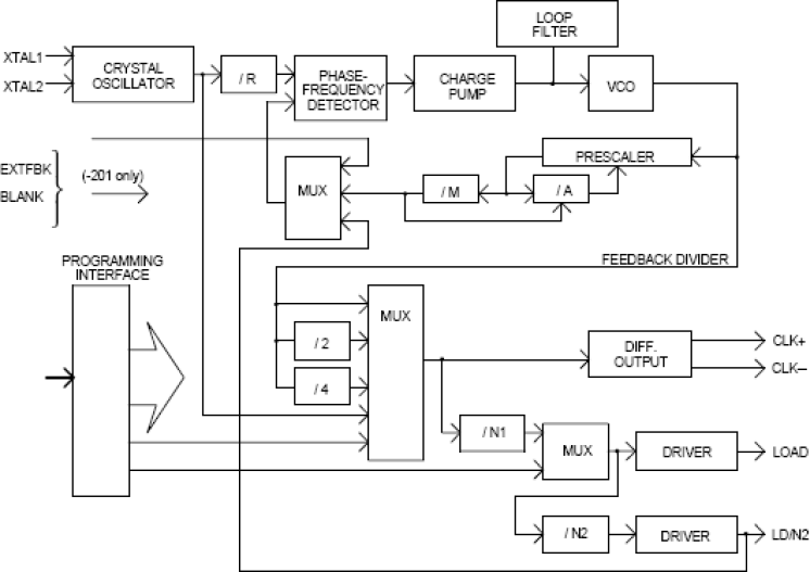
The 1562B is a very high performance monolithic phaselocked loop (PLL) frequency synthesizer. Utilizing ICS's advanced CMOS mixed-mode technology, the 1562B provides a low cost solution for high-end video clock generation. The 1562B has differential video clock outputs (CLK+ and CLK-) that are compatible with industry standard video DAC. Another clock output, LOAD, is provided whose frequency is derived from the main clock by a programmable divider. An additional clock output is available, LD/N2, which is derived from the LOAD frequency and whose modulus may also be programmed. Operating frequencies are fully programmable with direct control provided for reference divider, prescaler, feedback divider and post-scaler. Reset of the pipeline delay on Brooktree RAMDAC?s may be performed under register control. Outputs may also be set to desired states to facilitate circuit board testing.

当前筛选条件