跳转到主要内容
瑞萨电子 (Renesas Electronics Corporation)

特性

  • Packaged as 20-pin TSSOP – Pb-free, RoHS compliant
  • Eight addressable registers
  • Replaces multiple crystals and oscillators
  • Output frequencies up to 200 MHz at 3.3 V
  • Configurable Spread Spectrum Modulation
  • Input crystal frequency of 5 to 27 MHz
  • Clock input frequency of 3 to 166 MHz
  • Up to six reference outputs
  • Separate 1.8 to 3.3 V VDDO output level controls for each bank of 3 outputs
  • Up to two sets of three low-skew outputs
  • Operating voltages of 3.3 V
  • Controllable output drive levels
  • Advanced, low-power CMOS process

描述

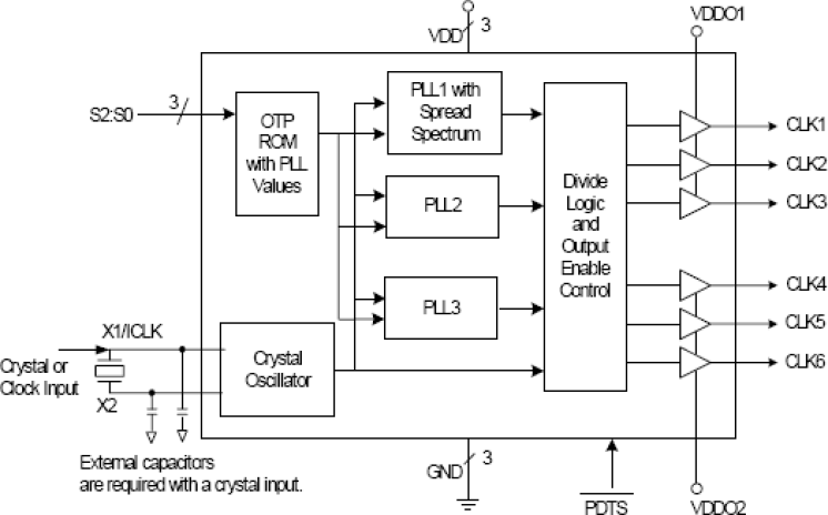
The 291 field programmable spread spectrum clock synthesizer generates up to six high-quality, high-frequency clock outputs including multiple reference clocks from a low-frequency crystal input. It is designed to replace crystals, crystal oscillators and stand alone spread spectrum devices in most electronic systems. Using IDT's VersaClockTM software to configure PLLs and outputs, the 291 contains a One-Time Programmable (OTP) ROM for field programmability. Programming features include input/output frequencies, spread spectrum amount, eight selectable configuration registers and up to two sets of three low-skew outputs. Each of the two output groups are powered by a separate VDDO voltage. VDDO may vary from 1.8 V to VDD. Using Phase-Locked Loop (PLL) techniques, the device runs from a standard fundamental mode, inexpensive crystal, or clock. It can replace multiple crystals and oscillators, saving board space and cost. The 291 is also available in factory programmed custom versions for high-volume applications.

当前筛选条件