跳转到主要内容
瑞萨电子 (Renesas Electronics Corporation)

特性

  • Std., A, and C speeds
  • Low input and output leakage <1 uA (max.)
  • CMOS power levels
  • True TTL input and output compatibility:– VOH = 3.3V (typ.)
  • – VOL = 0.3V (typ.)
  • High Drive outputs (-15mA IOH, 48mA IOL)
  • Meets or exceeds JEDEC standard 18 specifications
  • Military product compliant to MIL-STD-883, Class B and DESC listed (dual marked)
  • Power off disable outputs permit "live insertion"
  • Available in 20 pin CERDIP and LCC package

描述

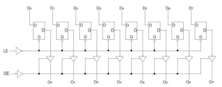
The IDT 54FCT573T is an octal transparent latch with 3-state outputs and is intended for bus oriented applications. The flip-flops appear transparent to the data when Latch Enable (LE) is high. When LE is low, the data that meets the set-up time is latched. The 54FCT573T operates at -55C to +125C. (For commercial version, see 74FCT573T) 

当前筛选条件