跳转到主要内容
Zero Delay Glitch-Free Clock Multiplexer

封装信息

CAD 模型: View CAD Model
Pkg. Type: TSSOP
Pkg. Code: PGG16
Lead Count (#): 16
Pkg. Dimensions (mm): 5.0 x 4.4 x 1.0
Pitch (mm): 0.65

环境和出口类别

Pb (Lead) Free Yes
ECCN (US) EAR99
HTS (US) 8542.39.0090
Moisture Sensitivity Level (MSL) 1

产品属性

Pkg. Type TSSOP
Lead Count (#) 16
Pb (Lead) Free Yes
Carrier Type Tube
Accepts Spread Spec Input Yes
Advanced Features Accepts Spread Spec Input
Core Voltage (V) 3.3V, 5V
Delay Mode Constant
Die Form No
Function Buffer
Hitless Protection Yes
Input Freq (MHz) 6
Input Type LVCMOS
Inputs (#) 2
Length (mm) 5
MOQ 192
Moisture Sensitivity Level (MSL) 1
Output Banks (#) 4
Output Freq Range (MHz) 6
Output Skew (ps) 250
Output Type LVCMOS
Output Voltage (V) 3.3V, 5V
Outputs (#) 4
Package Area (mm²) 22
Pb Free Category e3 Sn
Pitch (mm) 0.65
Pkg. Dimensions (mm) 5.0 x 4.4 x 1.0
Qty. per Carrier (#) 96
Qty. per Reel (#) 0
Requires Terms and Conditions Does not require acceptance of Terms and Conditions
Supply Voltage (V) 3.3 - 5
Tape & Reel No
Temp. Range (°C) 0 to 70°C
Thickness (mm) 1
Width (mm) 4.4
已发布 No

描述

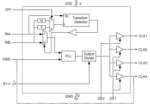
The ICS581-02 is a glitch free, Phase Locked Loop (PLL) based clock multiplexers (mux) with zero delay from input to output. This device has four low skew outputs which can be configured as a single output, three outputs, or four outputs. The ICS581-02 has automatic switching between the two clock inputs. The ICS581-02 is a member of IDT’s ClockBlocksTM family of clock generation, synchronization, and distribution devices.