特性
- Four internal PLLs
- Internal non-volatile EEPROM
- Internal I2C EEPROM master interface
- FAST (400kHz) mode I2C serial interfaces
- Input Frequencies – TCXO: 10MHz to 40MHz – Crystal: 8MHz to 30MHz – RTC Crystal: 32.768kHz
- Output Frequency Ranges: kHz to 120MHz
- Each PLL has an 8-bit reference divider and an 11-bit feedback divider
- 8-bit output-divider blocks
- One of the PLLs supports Spread Spectrum generation capable of configuration to pixel rate, with adjustable modulation rate and amplitude to support video clock with no visible artifacts
- I/O Standards: – Outputs - 1.8V/2.5V/3.3V LVTTL/ LVCMOS
- 3 independent adjustable VDDO groups.
- Programmable Slew Rate Control
- Programmable Loop Bandwidth Settings
- Programmable output inversion to reduce bimodal jitter
- Individual output enable/disable
- Power-down/Sleep mode – 10μA max in power-down mode – 32kHz clock output active sleep mode – 100μA max in sleep mode
- 1.8V VDD Core Voltage
- Available in 28-pin 4mm x 4mm QFN packages
- -40 °C to +85 °C Industrial Temp operation
描述
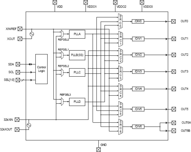
The 5P49EE802 is a programmable clock generator intended for low-power, battery-operated consumer applications. There are four internal PLLs, each individually programmable, allowing for up to eight different output frequencies. The frequencies are generated from a single reference clock. The reference clock can come from either a TCXO or fundamental mode crystal. An additional 32kHz crystal oscillator is available to provide a real-time clock or non-critical performance MHz processor clock. The 5P49EE802 can be programmed through the use of the I2C interfaces. The programming interface enables the device to be programmed when it is in normal operation or what is commonly known as in-system programmable. An internal EEPROM allows the user to save and restore the configuration of the device without having to reprogram it on power-up. Each of the four PLLs has an 8-bit reference divider and an 11-bit feedback divider. This allows the user to generate four unique non-integer-related frequencies. The PLL loop bandwidth is programmable to allow the user to tailor the PLL response to the application. For instance, the user can tune the PLL parameters to minimize jitter generation or to maximize jitter attenuation. Spread spectrum generation is supported on one of the PLLs. Spread spectrum generation is supported on one of the PLLs. The device is specifically designed to work with display applications to ensure that the spread profile remains consistent for each HSYNC in order to reduce ROW noise. It also may operate in standard spread spectrum mode. There are a total of seven 8-bit output dividers. Outputs are LVCMOS. The outputs are connected to the PLLs via the switch matrix. The switch matrix allows the user to route the PLL outputs to any output bank. This feature can be used to simplify and optimize the board layout. In addition, each output's slew rate and enable/disable function can be programmed.
当前筛选条件
筛选
软件与工具
样例程序
模拟模型
Description
This video provides an overview of IDT's VersaClock® 3 and VersaClock LP product families. VersaClock programmable clock generators allow designers to save board space and cost by replacing crystals, oscillators (including programmable oscillators), and buffers with a single timing device. IDT's VersaClock product portfolio contains parts with up to four internal PLLs, each individually programmable, allowing for up to seven unique frequencies. Various subsets of the VersaClock family are targeted for different applications. For high-reliability systems, the VersaClock III family supports glitch-less automatic or manual switchover functions allowing the redundant clock to be selected during normal operation. For consumer systems, VersaClock III and LP (low power) provide flexibility with an internal EEPROM that makes it simple to reprogram frequencies for changing system requirements through the use of the I2C interface. Presented by Baljit Chandhoke, Product Marketing Manager at Integrated Device Technology, Inc. To learn more about Renesas's VersaClock programmable clock generators, visit the Programmable Clocks page.