跳转到主要内容
瑞萨电子 (Renesas Electronics Corporation)

特性

  • Guaranteed low skew: <25ps (maximum)
  • Very low duty cycle distortion: <100ps (maximum)
  • High speed propagation delay: <2ns (maximum)
  • Up to 800MHz operation
  • Glitchless input clock switching up to 650MHz
  • Selectable inputs
  • Hot insertable and over-voltage tolerant inputs
  • 3.3V/2.5V LVTTL, HSTL, eHSTL, LVEPECL (2.5V), LVPECL (3.3V), CML or LVDS input interface
  • Selectable differential inputs to six LVDS outputs
  • Power-down mode
  • At power-up, FSEL should be LOW
  • 2.5V VDD
  • -40°C to 85°C ambient operating temperature
  • Available in VFQFN package
  • Recommends IDT5T9306 if glitchless input selection is not required

描述

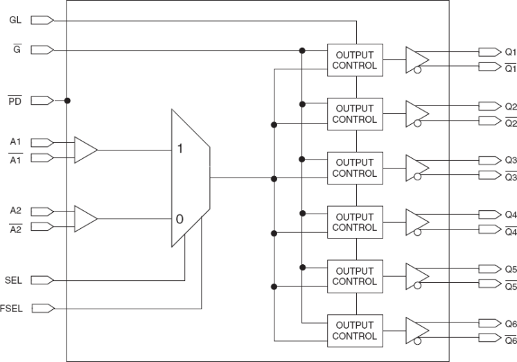
The 5T93GL06 2.5V differential clock buffer is a user- selectable differential input to six LVDS outputs. The fanout from a differential input to six LVDS outputs reduces loading on the preceding driver and provides an efficient clock distribution network. The 5T93GL06 can act as a translator from a differential HSTL, eHSTL, LVEPECL (2.5V), LVPECL (3.3V), CML, or LVDS input to LVDS outputs. A single-ended 3.3V / 2.5V LVTTL input can also be used to translate to LVDS outputs. The redundant input capability allows for a glitchless change-over from a primary clock source to a secondary clock source up to 650MHz. Selectable inputs are controlled by SEL. During the switchover, the output will disable low for up to three clock cycles of the previously-selected input clock. The outputs will remain low for up to three clock cycles of the newly-selected clock, after which the outputs will start from the newly-selected input. A FSEL pin has been implemented to control the switchover in cases where a clock source is absent or is driven to DC levels below the minimum specifications. The 5T93GL06 outputs can be asynchronously enabled/ disabled. When disabled, the outputs will drive to the value selected by the GL pin. Multiple power and grounds reduce noise.

当前筛选条件