| CAD 模型: | View CAD Model |
| Pkg. Type: | PBGA |
| Pkg. Code: | BG119 |
| Lead Count (#): | 119 |
| Pkg. Dimensions (mm): | 14.0 x 22.0 x 2.15 |
| Pitch (mm): | 1.27 |
| Pb (Lead) Free | No |
| Moisture Sensitivity Level (MSL) | 3 |
| ECCN (US) | 3A991.b.2.a |
| HTS (US) | 8542.32.0041 |
| Lead Count (#) | 119 |
| Pb (Lead) Free | No |
| Carrier Type | Reel |
| Moisture Sensitivity Level (MSL) | 3 |
| Architecture | Synch Burst |
| Bus Width (bits) | 36 |
| Core Voltage (V) | 3.3 |
| Density (Kb) | 4608 |
| I/O Frequency (MHz) | 183 - 183 |
| I/O Voltage (V) | 2.5 - 2.5 |
| Length (mm) | 14 |
| MOQ | 1000 |
| Organization | 128K x 36 |
| Output Type | Pipelined |
| Package Area (mm²) | 308 |
| Pb Free Category | e0 |
| Pitch (mm) | 1.27 |
| Pkg. Dimensions (mm) | 14.0 x 22.0 x 2.15 |
| Pkg. Type | PBGA |
| Qty. per Carrier (#) | 0 |
| Qty. per Reel (#) | 1000 |
| Reel Size (in) | 13 |
| Requires Terms and Conditions | Does not require acceptance of Terms and Conditions |
| Tape & Reel | Yes |
| Temp. Range (°C) | 0 to 70°C |
| Thickness (mm) | 2.15 |
| Width (mm) | 22 |
| 已发布 | No |
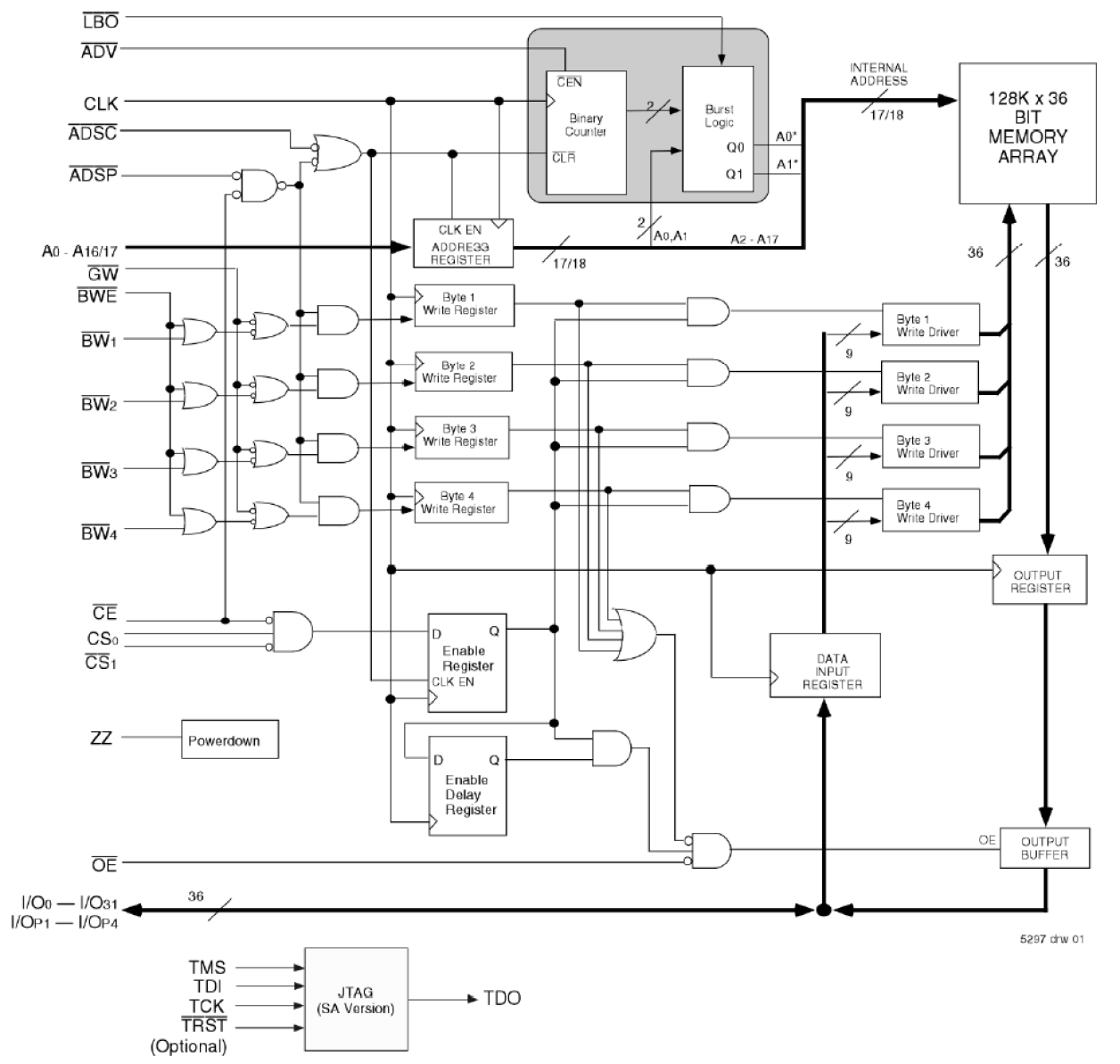
The 71V25761 3.3V CMOS synchronous SRAM is organized as 128K x 36 and contains write, data, address, and control registers. The burst mode feature offers the highest level of performance to the system designer, as the 71V25761 can provide four cycles of data for a single address presented to the SRAM.