跳转到主要内容
瑞萨电子 (Renesas Electronics Corporation)

特性

  • Free-running CLKA and CLKB may be asynchronous or coincident
  • Two independent clocked FIFOs buffering data in opposite directions
  • Mailbox bypass register for each FIFO
  • Programmable Almost-Full and Almost-Empty flags
  • Supports clock frequencies up to 83MHz
  • Fast access times of 8ns
  • Available in 132-pin PQFP and 120-pin TQFP packages
  • Industrial temperature range (–40C to +85C) is available

描述

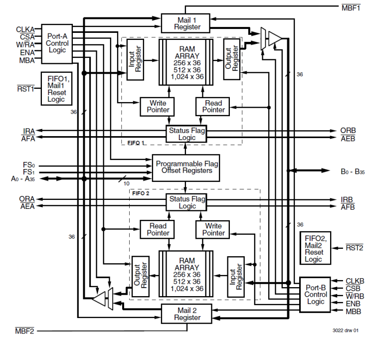
The 723622 is a monolithic Bidirectional SyncFIFO (clocked) memory. Two independent 256 x 36 dual-port SRAM FIFOs on board each chip buffer data in opposite directions. Communication between each port may bypass the FIFOs via two 36-bit mailbox registers. The enables for each port are arranged to provide a simple bidirectional interface between microprocessors and/or buses with synchronous control.

当前筛选条件