跳转到主要内容
瑞萨电子 (Renesas Electronics Corporation)

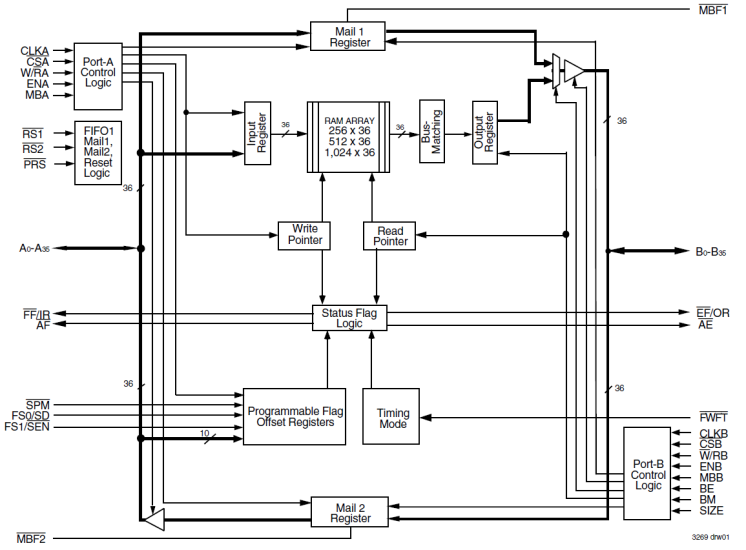
特性

  • IDT Standard timing or First Word Fall Through Timing
  • Programmable Almost-Empty and Almost-Full flags
  • Serial or parallel programming of partial flags
  • Port B bus sizing of 36 bits (long word), 18 bits (word) and 9 bits (byte)
  • Big- or Little-Endian format for word and byte bus sizes
  • Reset clears data and configures FIFO, Partial Reset clears data but retains configuration settings
  • Mailbox bypass registers for each FIFO
  • Easily expandable in width and depth
  • Auto power down minimizes power dissipation
  • Available in 128-pin TQFP package

描述

The 723623 is a 256 x 36 unidirectional Sync FIFO memory which supports clock frequencies up to 83 MHz and has read access times as fast as 8 ns. The clocks for each port are independent of one another and can be asynchronous or coincident. The enables for each port are arranged to provide a simple bidirectional interface between microprocessors and/or buses with synchronous control. Communication between each port may bypass the FIFO via two mailbox registers.

当前筛选条件