| CAD 模型: | View CAD Model |
| Pkg. Type: | PQFP |
| Pkg. Code: | PQ132 |
| Lead Count (#): | 132 |
| Pkg. Dimensions (mm): | 24.13 x 24.13 x 3.55 |
| Pitch (mm): | 0.64 |
| Pb (Lead) Free | No |
| Moisture Sensitivity Level (MSL) | 3 |
| ECCN (US) | |
| HTS (US) |
| Lead Count (#) | 132 |
| Pb (Lead) Free | No |
| Carrier Type | Tray |
| Architecture | Uni-directional |
| Bus Width (bits) | 36 |
| Core Voltage (V) | 5 |
| Density (Kb) | 18 |
| Family Name | SyncFIFO |
| Function | Mark & Retransmit |
| I/O Frequency (MHz) | 50 - 50 |
| I/O Type | 5.0 V TTL |
| Interface | Synchronous |
| Length (mm) | 24.13 |
| MOQ | 108 |
| Moisture Sensitivity Level (MSL) | 3 |
| Organization | 512 x 36 |
| Package Area (mm²) | 582.3 |
| Pb Free Category | e0 |
| Pitch (mm) | 0.64 |
| Pkg. Dimensions (mm) | 24.13 x 24.13 x 3.55 |
| Pkg. Type | PQFP |
| Qty. per Carrier (#) | 36 |
| Qty. per Reel (#) | 0 |
| Requires Terms and Conditions | Does not require acceptance of Terms and Conditions |
| Tape & Reel | No |
| Temp. Range (°C) | -40 to 85°C |
| Thickness (mm) | 3.55 |
| Width (mm) | 24.13 |
| 已发布 | No |
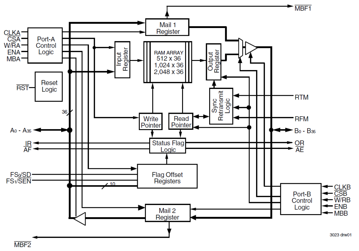
The 723631 is a 512 x 36 Sync FIFO memory that supports clock frequencies up to 67 MHz and has read access times as fast as 12ns. The FIFO memory has retransmit capability, which allows previously read data to be accessed again. Communication between each port may take place with two 36-bit mailbox registers. All data transfers through a port are gated to the LOW-to-HIGH transition of a continuous port clock by enable signals.