| CAD 模型: | View CAD Model |
| Pkg. Type: | TQFP |
| Pkg. Code: | PNG120 |
| Lead Count (#): | 120 |
| Pkg. Dimensions (mm): | 14.0 x 14.0 x 1.4 |
| Pitch (mm): | 0.4 |
| Pb (Lead) Free | Yes |
| Moisture Sensitivity Level (MSL) | 3 |
| ECCN (US) | |
| HTS (US) |
| Lead Count (#) | 120 |
| Pb (Lead) Free | Yes |
| Carrier Type | Tray |
| Architecture | Bi-directional |
| Bus Width (bits) | 36 |
| Core Voltage (V) | 5 |
| Density (Kb) | 36 |
| Family Name | SyncBiFIFO |
| Function | Bus Matching |
| I/O Frequency (MHz) | 66 - 66 |
| I/O Type | 5.0 V TTL |
| Interface | Synchronous |
| Length (mm) | 14 |
| MOQ | 90 |
| Moisture Sensitivity Level (MSL) | 3 |
| Organization | 512 x 36 x 2 |
| Package Area (mm²) | 196 |
| Pb Free Category | e3 Sn |
| Pitch (mm) | 0.4 |
| Pkg. Dimensions (mm) | 14.0 x 14.0 x 1.4 |
| Pkg. Type | TQFP |
| Price (USD) | $79.50044 |
| Qty. per Carrier (#) | 90 |
| Qty. per Reel (#) | 0 |
| Requires Terms and Conditions | Does not require acceptance of Terms and Conditions |
| Tape & Reel | No |
| Temp. Range (°C) | 0 to 70°C |
| Thickness (mm) | 1.4 |
| Width (mm) | 14 |
| 已发布 | No |
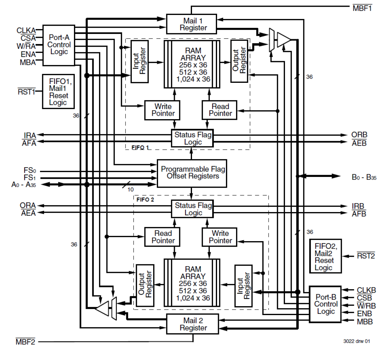
The 723632 is a monolithic Bidirectional SyncFIFO (clocked) memory. Two independent 512 x 36 dual-port SRAM FIFOs on board each chip buffer data in opposite directions. Communication between each port may bypass the FIFOs via two 36-bit mailbox registers. The enables for each port are arranged to provide a simple bidirectional interface between microprocessors and/or buses with synchronous control.