跳转到主要内容
瑞萨电子 (Renesas Electronics Corporation)
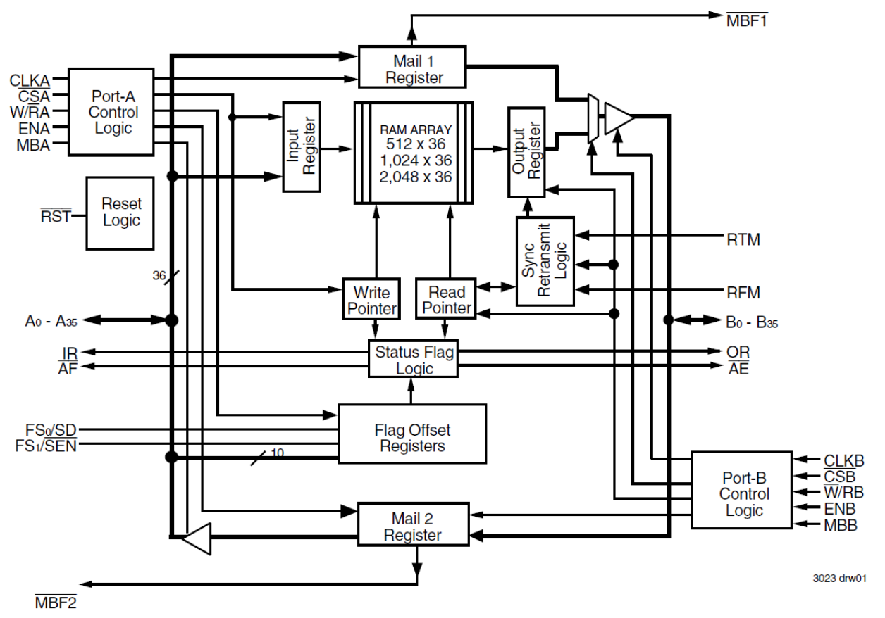
1K x 36 SyncFIFO, 5.0V

封装信息

CAD 模型:View CAD Model
Pkg. Type:TQFP
Pkg. Code:PN120
Lead Count (#):120
Pkg. Dimensions (mm):14.0 x 14.0 x 1.4
Pitch (mm):0.4

环境和出口类别

Pb (Lead) FreeNo
Moisture Sensitivity Level (MSL)3
ECCN (US)
HTS (US)

产品属性

Lead Count (#)120
Pb (Lead) FreeNo
Carrier TypeTray
ArchitectureUni-directional
Bus Width (bits)36
Core Voltage (V)5
Density (Kb)36
Family NameSyncFIFO
FunctionMark & Retransmit
I/O Frequency (MHz)50 - 50
I/O Type5.0 V TTL
InterfaceSynchronous
Length (mm)14
MOQ90
Moisture Sensitivity Level (MSL)3
Organization1K x 36
Package Area (mm²)196
Pb Free Categorye0
Pitch (mm)0.4
Pkg. Dimensions (mm)14.0 x 14.0 x 1.4
Pkg. TypeTQFP
Qty. per Carrier (#)90
Qty. per Reel (#)0
Requires Terms and ConditionsDoes not require acceptance of Terms and Conditions
Tape & ReelNo
Temp. Range (°C)-40 to 85°C
Thickness (mm)1.4
Width (mm)14

描述

The 723641 is a 1K x 36 Sync FIFO memory that supports clock frequencies up to 67 MHz and has read access times as fast as 12ns. The FIFO memory has retransmit capability, which allows previously read data to be accessed again. Communication between each port may take place with two 36-bit mailbox registers. All data transfers through a port are gated to the LOW-to-HIGH transition of a continuous port clock by enable signals.