跳转到主要内容
1K x 36 x 2 SyncBiFIFO, 5.0V

封装信息

CAD 模型: View CAD Model
Pkg. Type: TQFP
Pkg. Code: PK128
Lead Count (#): 128
Pkg. Dimensions (mm): 20.0 x 14.0 x 1.4
Pitch (mm): 0.5

环境和出口类别

Pb (Lead) Free No
Moisture Sensitivity Level (MSL) 3
ECCN (US)
HTS (US)

产品属性

Lead Count (#) 128
Pb (Lead) Free No
Carrier Type Reel
Architecture Bi-directional
Bus Width (bits) 36
Core Voltage (V) 5
Density (Kb) 72
Family Name SyncBiFIFO
Function Bus Matching
I/O Frequency (MHz) 83 - 83
I/O Type 5.0 V TTL
Interface Synchronous
Length (mm) 20
MOQ 1000
Moisture Sensitivity Level (MSL) 3
Organization 1K x 36 x 2
Package Area (mm²) 280
Pb Free Category e0
Pitch (mm) 0.5
Pkg. Dimensions (mm) 20.0 x 14.0 x 1.4
Pkg. Type TQFP
Price (USD) $55.525
Qty. per Carrier (#) 0
Qty. per Reel (#) 1000
Reel Size (in) 13
Requires Terms and Conditions Does not require acceptance of Terms and Conditions
Tape & Reel Yes
Temp. Range (°C) 0 to 70°C
Thickness (mm) 1.4
Width (mm) 14
已发布 No

描述

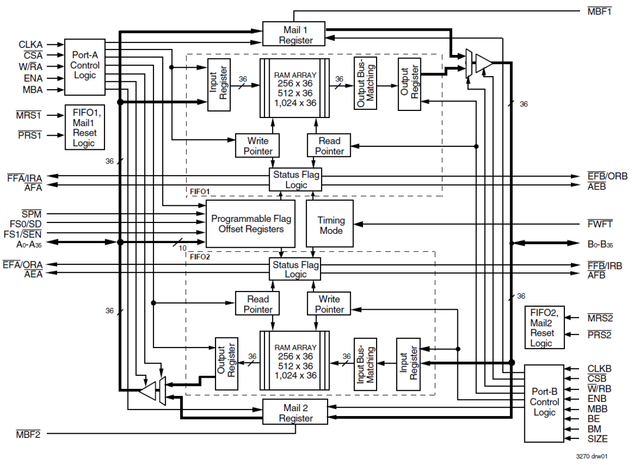
The 723644 is a CMOS bidirectional synchronous (clocked) FIFO. Two independent 1K x 36 dual-port SRAM FIFOs on board each chip buffer data in opposite directions. The clocks for each port are independent of one another and can be asynchronous or coincident. The enables for each port are arranged to provide a simple bidirectional interface between microprocessors and/or buses with synchronous control.