跳转到主要内容
1K x 36 x 2 Triple-Bus FIFO, 5.0V

封装信息

CAD 模型: View CAD Model
Pkg. Type: TQFP
Pkg. Code: PK128
Lead Count (#): 128
Pkg. Dimensions (mm): 20.0 x 14.0 x 1.4
Pitch (mm): 0.5

环境和出口类别

Pb (Lead) Free No
Moisture Sensitivity Level (MSL) 3
ECCN (US)
HTS (US)

产品属性

Lead Count (#) 128
Pb (Lead) Free No
Carrier Type Tray
Architecture Bi-directional
Bus Width (bits) 36
Core Voltage (V) 5
Density (Kb) 72
Family Name Triple-Bus FIFO
Function Bus Matching
I/O Frequency (MHz) 66 - 66
I/O Type 5.0 V TTL
Interface Synchronous
Length (mm) 20
MOQ 72
Moisture Sensitivity Level (MSL) 3
Organization 1K x 36 x 2
Package Area (mm²) 280
Pb Free Category e0
Pitch (mm) 0.5
Pkg. Dimensions (mm) 20.0 x 14.0 x 1.4
Pkg. Type TQFP
Qty. per Carrier (#) 72
Qty. per Reel (#) 0
Requires Terms and Conditions Does not require acceptance of Terms and Conditions
Tape & Reel No
Temp. Range (°C) 0 to 70°C
Thickness (mm) 1.4
Width (mm) 14
已发布 No

描述

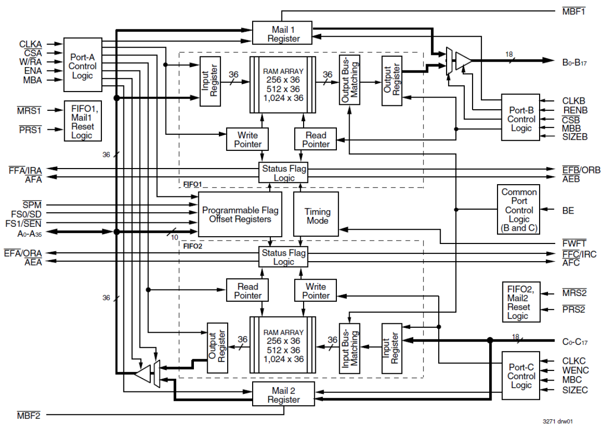
The 723646 is a 1K x 36 x 2 Triple Bus sync FIFO memory which supports clock frequencies up to 83 MHz and has read access times as fast as 8 ns. FIFO data can be read out and written using either 18-bit or 9-bit formats with a choice of Big- or Little-Endian configurations. The clocks for each port are independent of one another and can be asynchronous or coincident. Communication between each port may bypass the FIFOs via two mailbox registers. These devices can operate in the IDT Standard mode or First Word Fall Through mode.