跳转到主要内容
瑞萨电子 (Renesas Electronics Corporation)

特性

  • Clock frequencies up to 83 MHz (8ns access time)
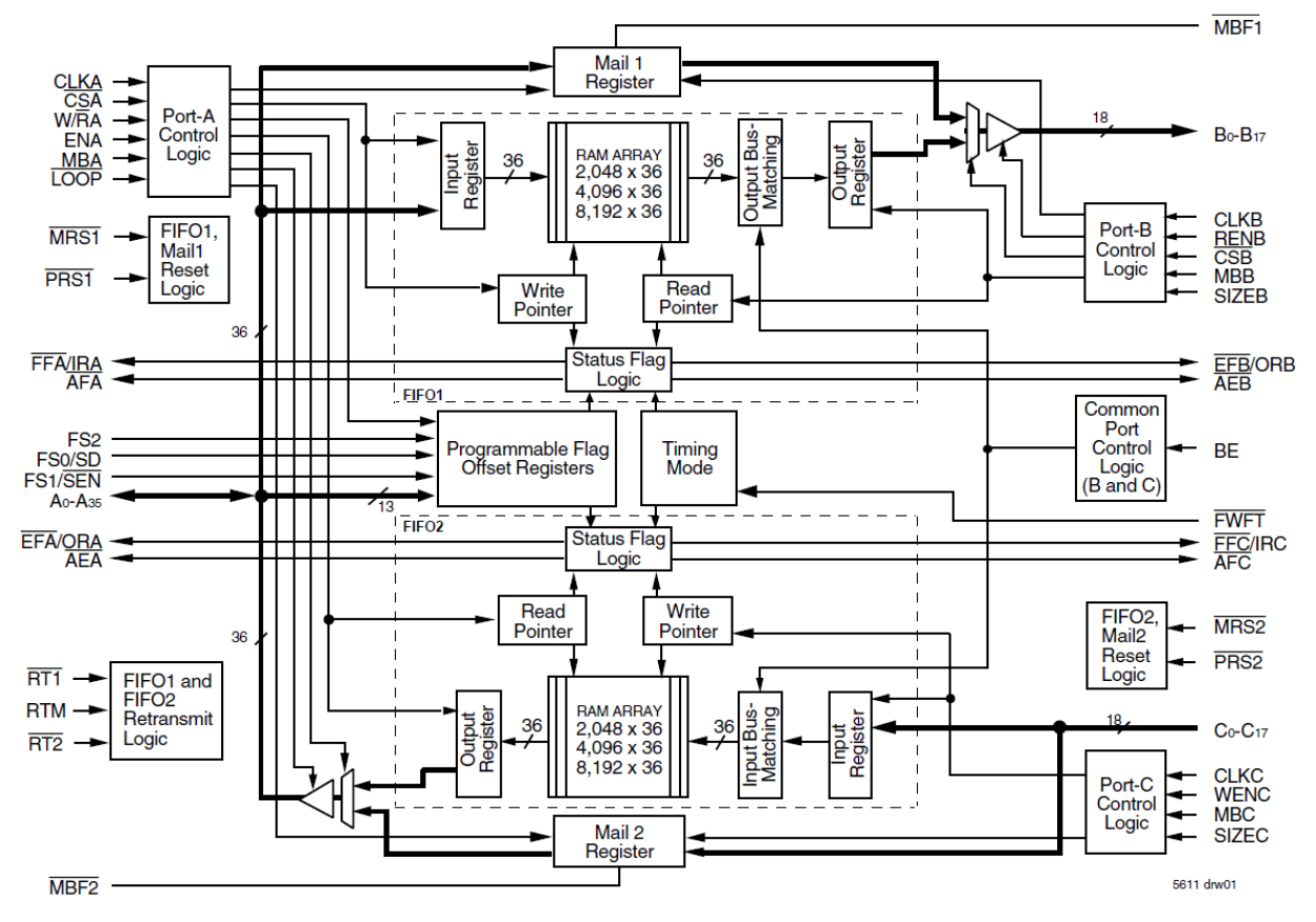
  • Two independent FIFOs buffer data between one bidirectional 36-bit port and two unidirectional 18-bit ports
  • 18-bit (word) and 9-bit (byte) bus sizing of 18 bits (word)
  • Programmable Almost-Empty and Almost-Full flags
  • Serial or parallel programming of partial flags
  • Loopback mode on Port A
  • Retransmit Capability
  • Master Reset clears data and configures FIFO, Partial Reset clears data but retains configuration settings
  • Mailbox bypass registers for each FIFO
  • Free-running CLKA, CLKB and CLKC may be asynchronous or coincident
  • Auto power down minimizes power dissipation
  • Available in 128-pin TQFP package
  • Pin compatible to the lower density parts, 7236x6
  • Industrial temperature range (–40C to +85C) is available

描述

The 723656 is a 2K x 36 x 2 Triple Bus sync FIFO memory has two independent dual-port SRAM FIFOs on board each chip that can buffer data between a bidirectional 36-bit bus and two unidirectional 18-bit buses. FIFO data can be read and written using either 18-bit or 9-bit formats with a choice of Big- or Little-Endian configurations. Communication between each port may bypass the FIFOs via two mailbox registers. This device can operate in the IDT Standard mode or the first word fall through mode.

当前筛选条件