跳转到主要内容
瑞萨电子 (Renesas Electronics Corporation)
4K x 36 SyncFIFO, 5.0V

封装信息

CAD 模型:View CAD Model
Pkg. Type:TQFP
Pkg. Code:PK128
Lead Count (#):128
Pkg. Dimensions (mm):20.0 x 14.0 x 1.4
Pitch (mm):0.5

环境和出口类别

Pb (Lead) FreeNo
Moisture Sensitivity Level (MSL)3
ECCN (US)
HTS (US)

产品属性

Lead Count (#)128
Pb (Lead) FreeNo
Carrier TypeReel
ArchitectureUni-directional
Bus Width (bits)36
Core Voltage (V)5
Density (Kb)144
Family NameSyncFIFO
FunctionBus Matching
I/O Frequency (MHz)83 - 83
I/O Type5.0 V TTL
InterfaceSynchronous
Length (mm)20
MOQ1000
Moisture Sensitivity Level (MSL)3
Organization4K x 36
Package Area (mm²)280
Pb Free Categorye0
Pitch (mm)0.5
Pkg. Dimensions (mm)20.0 x 14.0 x 1.4
Pkg. TypeTQFP
Qty. per Carrier (#)0
Qty. per Reel (#)1000
Reel Size (in)13
Requires Terms and ConditionsDoes not require acceptance of Terms and Conditions
Tape & ReelYes
Temp. Range (°C)0 to 70°C
Thickness (mm)1.4
Width (mm)14

描述

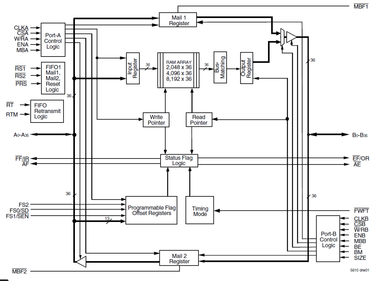
The 723663 is a 4K x 36 unidirectional Sync FIFO memory which supports clock frequencies up to 83 MHz and has read access times as fast as 8ns. The clocks for each port are independent of one another and can be asynchronous or coincident. The enables for each port are arranged to provide a simple bidirectional interface between microprocessors and/or buses with synchronous control. Communication between each port may bypass the FIFO via two mailbox registers. This device can operate in the IDT Standard mode or the First Word Fall Through mode.