跳转到主要内容
瑞萨电子 (Renesas Electronics Corporation)

特性

  • Clocked FIFO buffering data from Port A to Port B
  • Programmable Almost-Empty and Almost-Full flags
  • Serial or parallel programming of partial flags
  • Port B bus sizing of 36 bits (long word), 18 bits (word) and 9 bits (byte)
  • Big- or Little-Endian format for word and byte bus sizes
  • Retransmit Capability
  • Reset clears data and configures FIFO
  • Partial Reset clears data but retains configuration settings
  • Mailbox bypass registers for each FIFO
  • Easily expandable in width and depth
  • Auto power down minimizes power dissipation
  • Available in 128-pin TQFP package
  • Pin compatible with the lower density parts 7236x3
  • Industrial temperature range (–40C to +85C) is available

描述

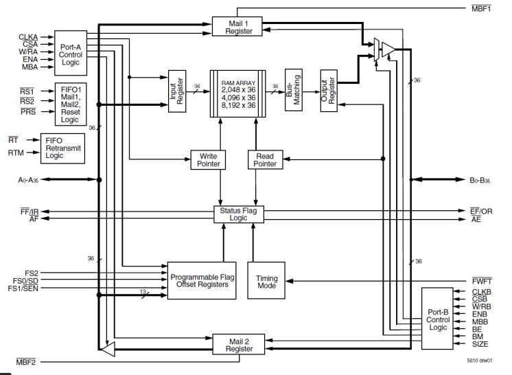
The 723673 is a 8K x 36 unidirectional Sync FIFO memory which supports clock frequencies up to 83 MHz and has read access times as fast as 8ns. The clocks for each port are independent of one another and can be asynchronous or coincident. The enables for each port are arranged to provide a simple bidirectional interface between microprocessors and/or buses with synchronous control. Communication between each port may bypass the FIFO via two mailbox registers. This device can operate in the IDT Standard mode or the First Word Fall Through mode.

当前筛选条件