跳转到主要内容
瑞萨电子 (Renesas Electronics Corporation)
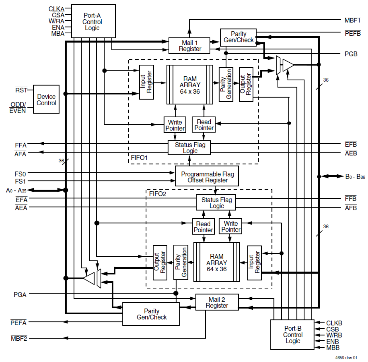
64 x 36 x 2 SyncBiFIFO, 3.3V

封装信息

CAD 模型:View CAD Model
Pkg. Type:TQFP
Pkg. Code:PNG120
Lead Count (#):120
Pkg. Dimensions (mm):14.0 x 14.0 x 1.4
Pitch (mm):0.4

环境和出口类别

Pb (Lead) FreeYes
Moisture Sensitivity Level (MSL)3
ECCN (US)
HTS (US)

产品属性

Lead Count (#)120
Pb (Lead) FreeYes
Carrier TypeTray
ArchitectureBi-directional
Bus Width (bits)36
Core Voltage (V)3.3
Density (Kb)4
Family NameSyncBiFIFO
I/O Frequency (MHz)83 - 83
I/O Type3.3 V LVTTL
InterfaceSynchronous
Length (mm)14
MOQ90
Moisture Sensitivity Level (MSL)3
Organization64 x 36 x 2
Package Area (mm²)196
Pb Free Categorye3 Sn
Pitch (mm)0.4
Pkg. Dimensions (mm)14.0 x 14.0 x 1.4
Pkg. TypeTQFP
Price (USD)$43.90633
Qty. per Carrier (#)90
Qty. per Reel (#)0
Requires Terms and ConditionsDoes not require acceptance of Terms and Conditions
Tape & ReelNo
Temp. Range (°C)0 to 70°C
Thickness (mm)1.4
Width (mm)14
已发布No

描述

The 72V3612 is a 3.3V version of the 723612. Two independent 64 x 36 dual-port SRAM FIFOs on board the chip buffer data in opposite directions. Communication between each port can bypass the FIFOs via two 36-bit mailbox registers. The enables for each port are arranged to provide a simple bi-directional interface between microprocessors and/or buses with synchronous control.