跳转到主要内容
2K x 36 SyncFIFO, 3.3V

封装信息

CAD 模型: View CAD Model
Pkg. Type: TQFP
Pkg. Code: PK128
Lead Count (#): 128
Pkg. Dimensions (mm): 20.0 x 14.0 x 1.4
Pitch (mm): 0.5

环境和出口类别

Pb (Lead) Free No
Moisture Sensitivity Level (MSL) 3
ECCN (US)
HTS (US)

产品属性

Lead Count (#) 128
Pb (Lead) Free No
Carrier Type Reel
Architecture Uni-directional
Bus Width (bits) 36
Core Voltage (V) 3.3
Density (Kb) 72
Family Name SyncFIFO
Function Bus Matching
I/O Frequency (MHz) 66 - 66
I/O Type 3.3 V LVTTL
Interface Synchronous
Length (mm) 20
MOQ 1000
Moisture Sensitivity Level (MSL) 3
Organization 2K x 36
Package Area (mm²) 280
Pb Free Category e0
Pitch (mm) 0.5
Pkg. Dimensions (mm) 20.0 x 14.0 x 1.4
Pkg. Type TQFP
Qty. per Carrier (#) 0
Qty. per Reel (#) 1000
Reel Size (in) 13
Requires Terms and Conditions Does not require acceptance of Terms and Conditions
Tape & Reel Yes
Temp. Range (°C) 0 to 70°C
Thickness (mm) 1.4
Width (mm) 14
已发布 No

描述

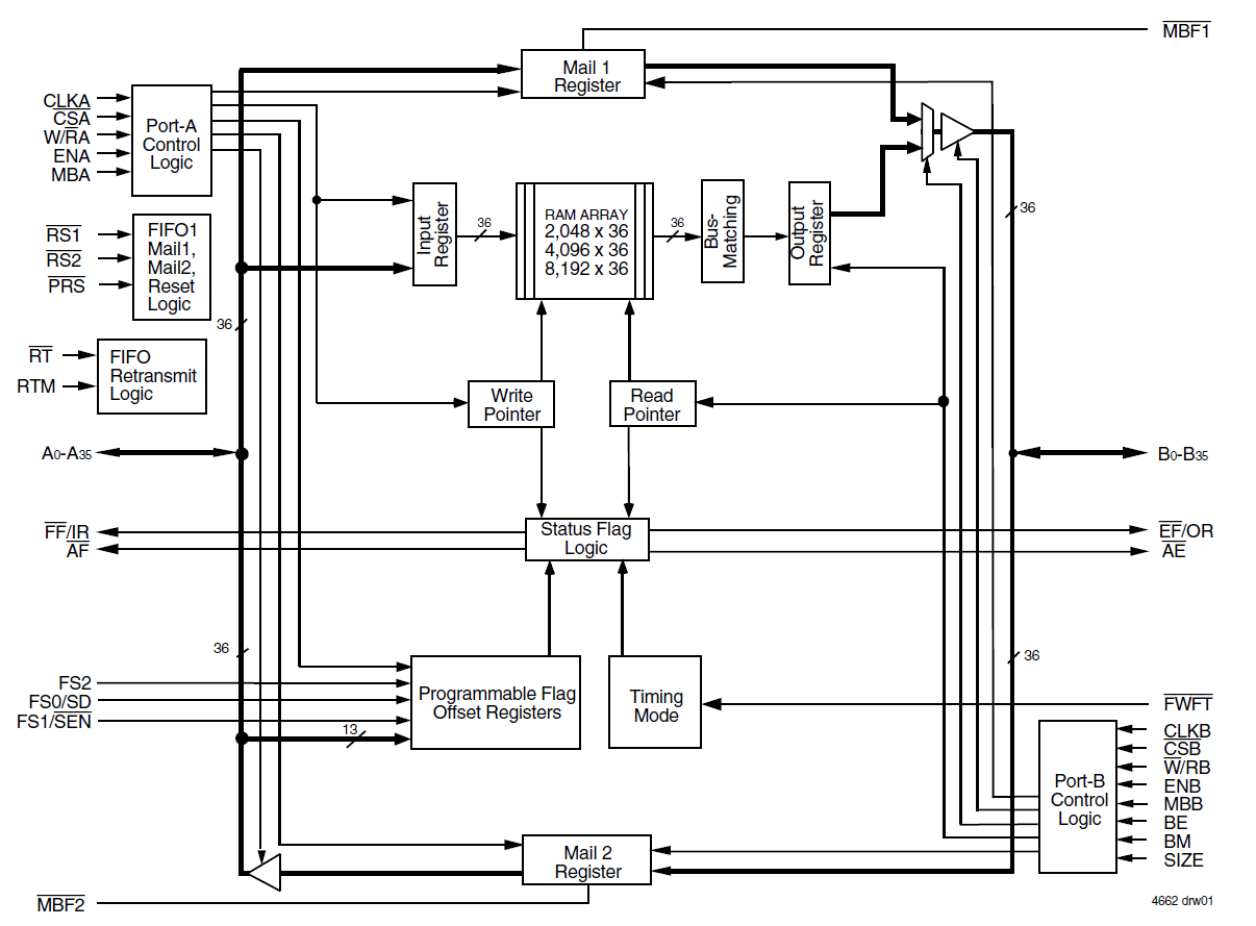
The 72V3653 is a 2K x 36 Sync FIFO memory. The clocks for each port are independent of one another and can be asynchronous or coincident. The enables for each port are arranged to provide a simple bidirectional interface between microprocessors and/or buses with synchronous control. Communication between each port may bypass the FIFO via two mailbox registers. The FIFO has Retransmit capability which resets the read pointer to the first memory location. This device can operate in IDT Standard mode or First Word Fall Through mode.